EasyManua.ls Logo

NUVE NF200 - Electrical Circuit Diagrams

NUVE NF200
18 pages
Print Icon
To Next Page IconTo Next Page
To Next Page IconTo Next Page
To Previous Page IconTo Previous Page
To Previous Page IconTo Previous Page
Loading...
16
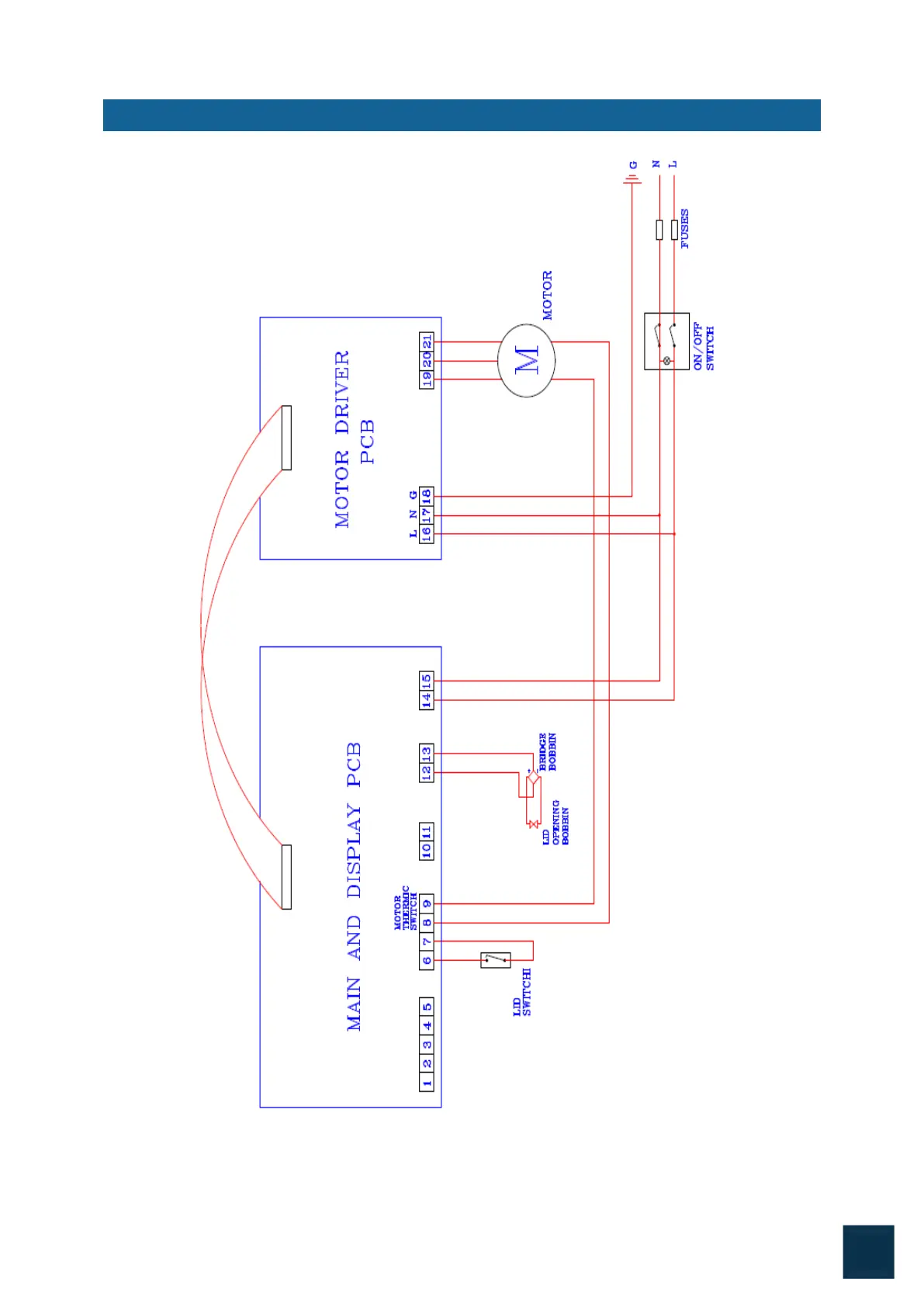
SECTION 10 ELECTRICAL CIRCUIT DIAGRAMS

Related product manuals