EasyManua.ls Logo

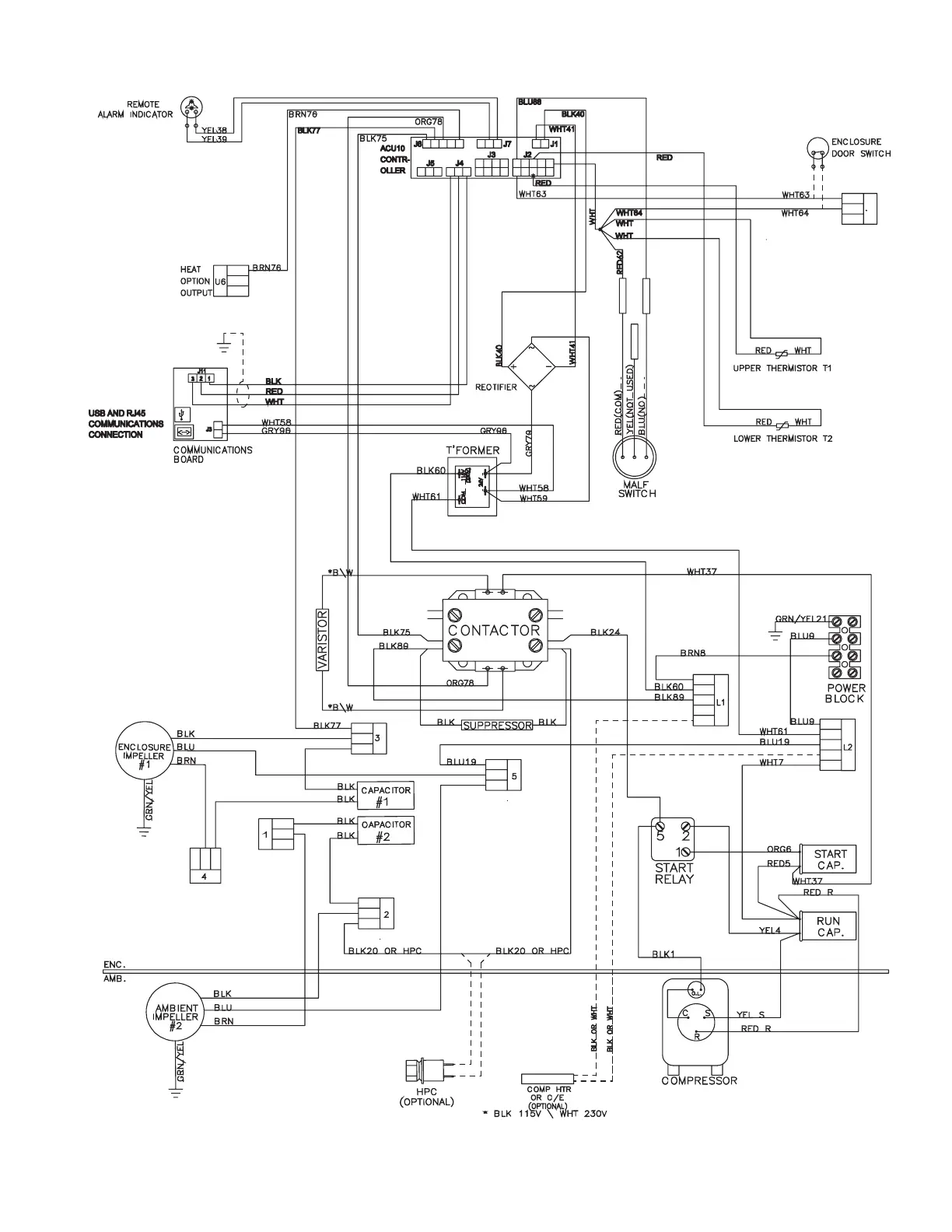
nvent SPECTRACOOL N36 - N36 1-Phase Generic Wire Diagram for Remote Access Control (Actual Unit Options May Vary)

nvent SPECTRACOOL N36
44 pages
Print Icon
To Next Page IconTo Next Page
To Next Page IconTo Next Page
To Previous Page IconTo Previous Page
To Previous Page IconTo Previous Page
Loading...
© 2022 nVent
89215758
- 28 -
N36 1-PHASE GENERIC WIRE DIAGRAM FOR REMOTE ACCESS CONTROL (ACTUALUNIT
OPTIONS MAY VARY)
89214153 REV.A

Table of Contents

Related product manuals