EasyManua.ls Logo

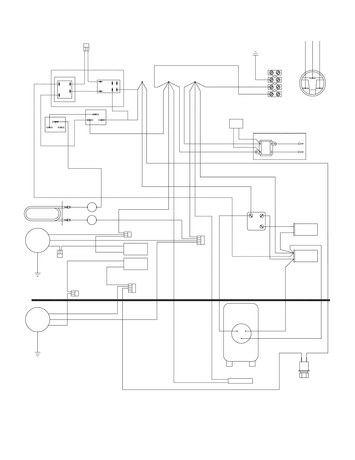
nvent SPECTRACOOL N36 - N36 1-Phase Generic Wire Diagram (Actual Unit Options May Vary)

nvent SPECTRACOOL N36
44 pages
Print Icon
To Next Page IconTo Next Page
To Next Page IconTo Next Page
To Previous Page IconTo Previous Page
To Previous Page IconTo Previous Page
Loading...
© 2022 nVent
89215758
- 8 -
N36 1-PHASE GENERIC WIRE DIAGRAM (ACTUAL UNIT OPTIONS MAY VARY)
HEATER
BLK14
BLK12
AMB.
ENC.
COMPRESSOR
HPC
BLK 115V / WHT 230V
BLK1
OR C/E
(OPTIONAL)
BLK20
T-STAT
COOLING
RED13
ENCLOSURE
BRN
BLU
BLK
GRN/YEL
IMPELLER
BLK
BLK
BLK
BLK
BRN
GRN/YEL
IMPELLER
AMBIENT
BLU
BLK
BLU19
BLK12
YEL10
BLK11
RELAY
START
START
RED R
RUN
CAP.
ORG6
RED5
CAP.
25
1
YEL4
WHT7
RED13
BLU9
BRN8
BLK20
WHT7
BLK11
HEATING
T-STAT
RED30
BRN26
1
3
MALF
SWITCH
(OPTIONAL)
2
YEL(NO)
RED(COM)
BLU(NC)
BLU29
#1
#2
COMP HTR
(OPTIONAL)
(OPTIONAL)
SUPPRESSOR
THERMAL DISPLAY (OPT.)
TO THERMAL
115(230) V
10 V
DISPLAY
WHT41
BLK40
DOOR SWITCH (OPT.)
RED62
T'FORMER
BLK60
WHT61
YEL65
RELAY
0
1
4
8
2
6
YEL10
YEL10 OR
YEL65
WHT61
R
C
S
YEL S
RED R
WHT63
WHT64
BLK27
BLK28
SWITCHES
LIMIT
1
4
5
3
2
BLK 115V / WHT 230V
GRN/YEL21
POWER
BLOCK
BLK12
4
3
6
4
3
6
CUSTOMER
SWITCH
TO
89073634

Table of Contents

Related product manuals