EasyManua.ls Logo

Oliver 2005 - Wire Diagram 1-60-115 (Page 1)

Default Icon
33 pages
Print Icon
To Next Page IconTo Next Page
To Next Page IconTo Next Page
To Previous Page IconTo Previous Page
To Previous Page IconTo Previous Page
Loading...
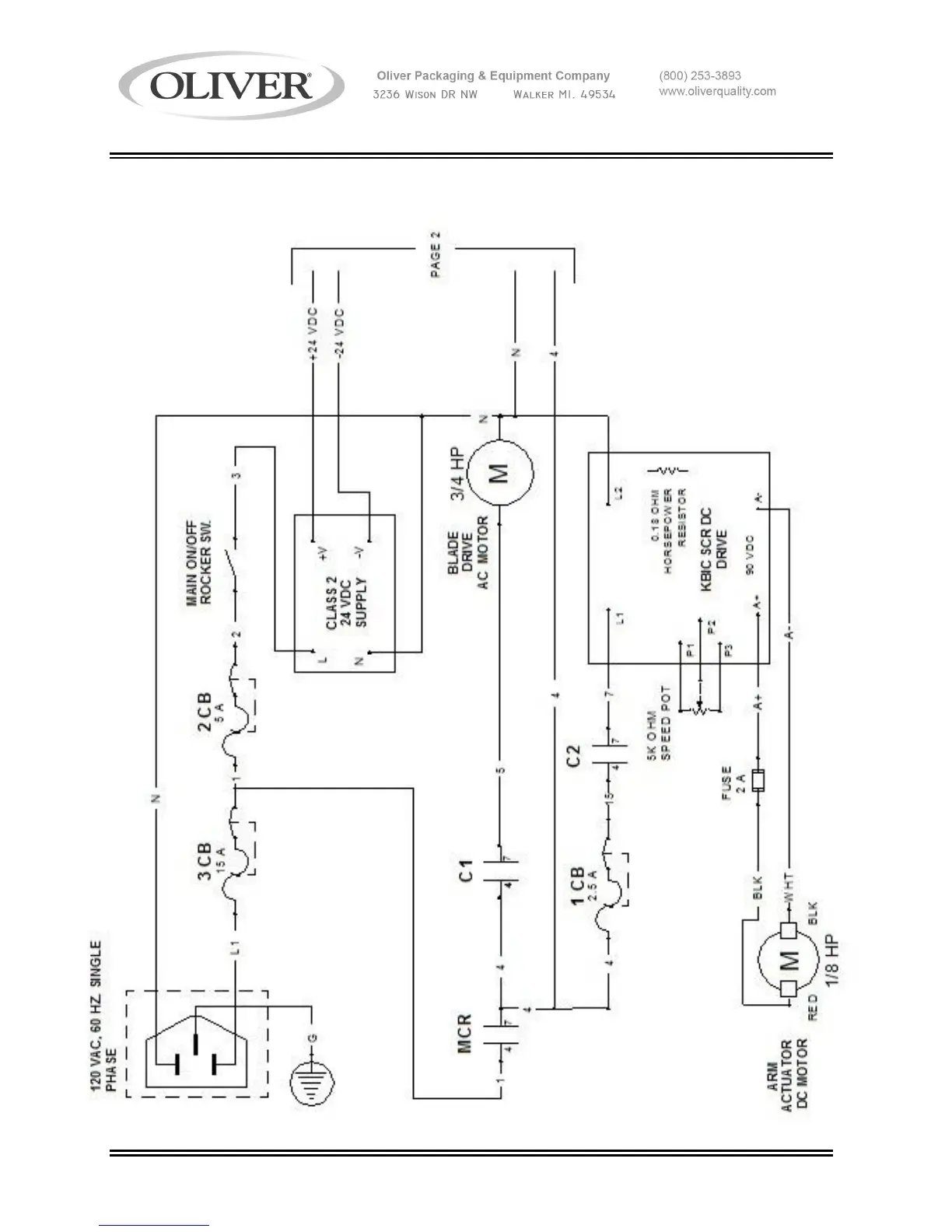
2005 VARIABLE THICKNESS BREAD SLICER
2005S20015 15-1
WIRE DIAGRAM 1-60-115 PAGE 1 OF 3

Related product manuals