EasyManua.ls Logo

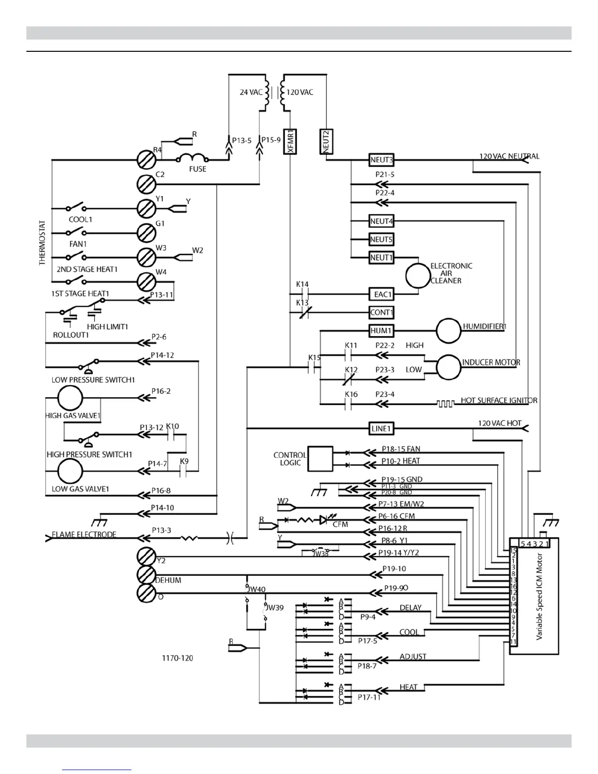
Olsen G95V80 - 27 - WIRE DIAGRAM FOR TWO STAGE FURNACE WITH ECM; Furnace Wiring Diagram

Olsen G95V80
56 pages
Print Icon
To Next Page IconTo Next Page
To Next Page IconTo Next Page
To Previous Page IconTo Previous Page
To Previous Page IconTo Previous Page
Loading...
27  WIRE DIAGRAM FOR TWO STAGE FURNACE WITH ECM
Figure 38 - Wire Diagram For Two Stage Furnace With ECM
53

Related product manuals