EasyManua.ls Logo

Omcan SP200A - Electrical Schematics

Omcan SP200A
24 pages
Print Icon
To Next Page IconTo Next Page
To Next Page IconTo Next Page
To Previous Page IconTo Previous Page
To Previous Page IconTo Previous Page
Loading...
18
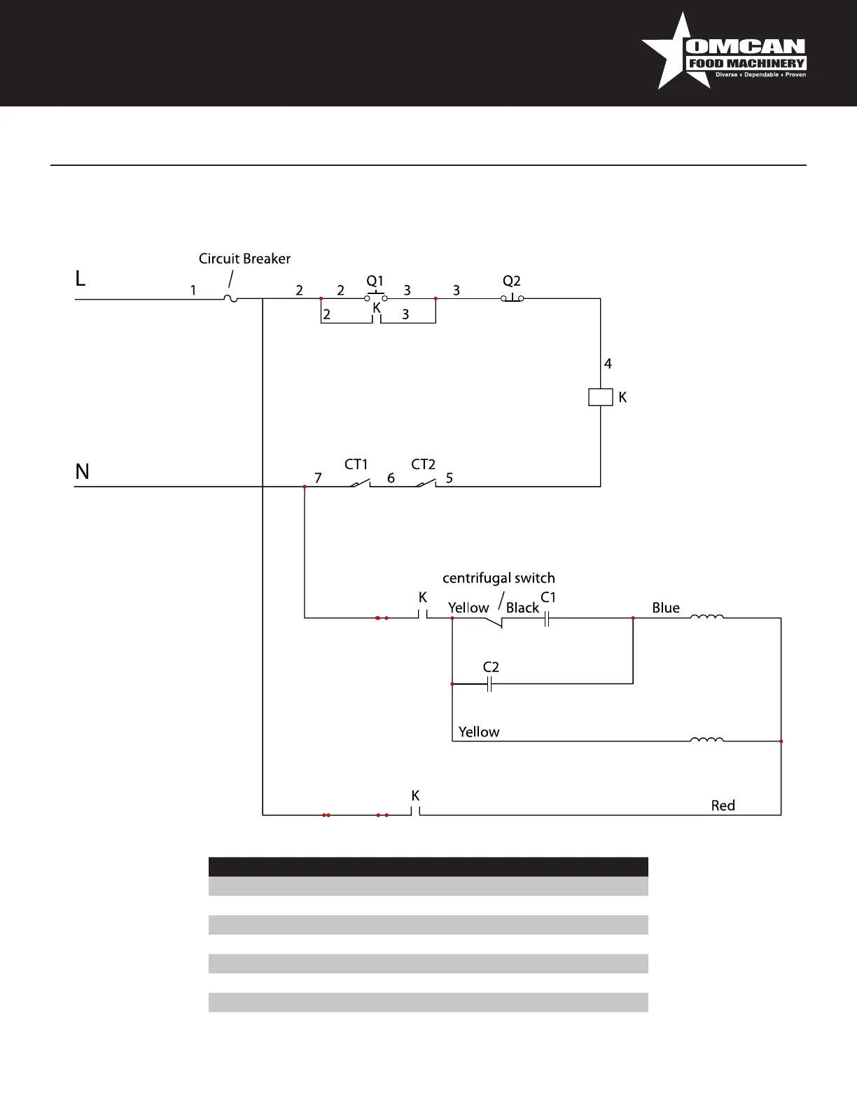
Electrical Schematics
Model VFM10B 20467
No. Name Model Specs QTY Remark
1 Motor 110V 60Hz / 1725rpm / 1PH 0.4Kw 1
2 Micro Switch V-152-1C25 250V 10A 2
3 Contact Switch CJX2-0910 Ac110V 60Hz 1
4 Start Button SPL63 250V 10A 1 Green
5 Stop Button SPL63 250V 10A 1 Red
6 Overload Protector Ac125/250V 15A 1 KUOYUH
7 Start Capacitor 20uF 125VAC 1 C1
8 Running Capacitor CBB60 100uF 300VAC 1 C2

Related product manuals