EasyManua.ls Logo

Omron BU1002SW - Circuit Block Diagram; Related Products

Omron BU1002SW
116 pages
Print Icon
To Next Page IconTo Next Page
To Next Page IconTo Next Page
To Previous Page IconTo Previous Page
To Previous Page IconTo Previous Page
Loading...
BU1002SW / BU3002SW
93
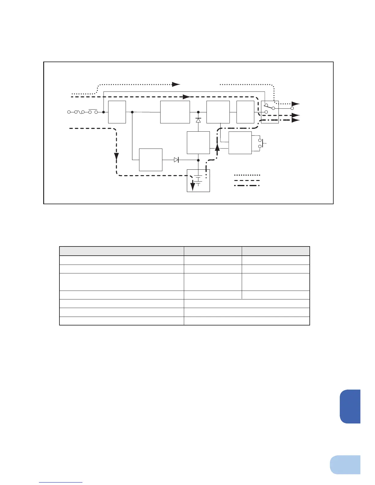
C. Circuit block diagram
Power supply
switch
At startup/capacity exceeded/error
During Line mode
During Battery mode
Commercial
power bypass
output
Noise
filter
200 to
240V AC
input
Power supply
relay
Input overcurrent
protection
Charging
circuit
Step-up
converter
Control
circuit
Battery
Rectifier
(high power
factor
converter)
Inverter
(sine
wave)
Filter
Output
switching
Power
supply
output:
200/220/
230/240V AC
D. Related products
Description BU1002SW BU3002SW
Replacement battery pack BP100XS BP150XS (two required)
Additional battery unit BUM100S BUM300S
Replacement fan
BUF1002S for rear fan BUF1002S for rear fan
BUF3002S for front fan
Mounting bracket BUP100S BUP300S
SNMP/Web card SC20G
Connection cable for Windows UPS service BUC26
Apple Xserve RAID connection cable BUC28
* When using this product as a CE marking compliant product, use a connection cable that is
3m or less.

Table of Contents

Related product manuals