EasyManua.ls Logo

Omron CIMR-J7AZ - QUICK - Page 37

Omron CIMR-J7AZ - QUICK
116 pages
Print Icon
To Next Page IconTo Next Page
To Next Page IconTo Next Page
To Previous Page IconTo Previous Page
To Previous Page IconTo Previous Page
Loading...
Schritt 5 – Einstellung der Motornennfrequenz
Die Motornennfrequenz gibt die maximale Betriebsfrequenz des Motors an. Der Frequenzumrichter
benötigt diese Angabe, um den Motor ordnungsgemäß ansteuern zu können. Lesen Sie die auf dem
Typenschild des Motors angegebene Nennfrequenz (Hz) ab, und stellen Sie die Parameter n09 und
n11 auf diesen Wert.
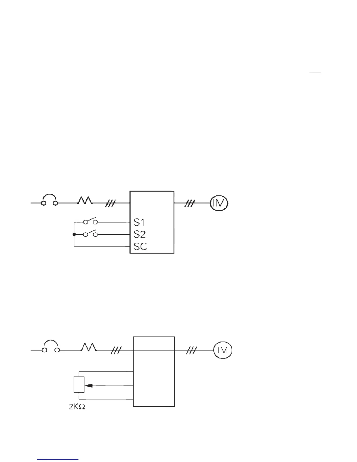
Schritt 6 – Einstellen der Befehlsquelle
Legen Sie fest, wie die Start- und Stoppbefehle gegeben werden. Dies kann wahlweise über die RUN-
und die STOP/RESET-Taste oder über entsprechende Signale an Multifunktionseingängen erfolgen.
Die Einstellung der Befehlsquelle erfolgt durch Setzen des Parameters n02 auf den entsprechenden
Wert:
0: Die RUN- und die STOP/RESET-Taste sind aktiviert.
1: Start- und Stoppbefehle werden über Steuerklemmen gegeben.
Das nachstehende Diagramm zeigt den Anschluss eines Schalters zum Starten/Stoppen des Motors
im Vorwärtslauf im so genannten Zweidrahtbetrieb. Dazu muss der Parameter n02 auf 1 gesetzt sein.
Um mit einem weiteren Schalter an Steuerklemme S2 den Rückwärtslauf zu aktivieren, muss zusätz-
lich der Parameter n36 auf 2 gesetzt sein (Standardeinstellung).
Schritt 7 – Einstellen des Frequenzsollwerts
Legen Sie fest, wie die Drehzahl des Motors eingestellt wird. Standardmäßig erfolgt dies mithilfe des
FREQ-Einstellers, bei dessen Verwendung keine weiteren Einstellungen erforderlich sind.
Der Frequenzsollwert kann auch mittels eines externen Potenziometers oder eines analogen SPS-
Ausgangs geregelt oder auf einen von acht im Frequenzumrichter vorprogrammierten und vermittels
der Multifunktionseingänge ausgewählten Werten gesetzt werden.
Um beispielsweise den Frequenzsollwert mittels eines externen Potenziometers oder eines analogen
SPS-Ausgangs zu regeln, muss der Parameter n03 auf 2 gesetzt werden.
Vorwärts
Start/Stopp
Rückwärts
Start/Stopp
( )
(0 bis +10 V)
FR
FC (0 V)
Drehzahl-
sollwert
Frequenz-
einstellungs-
Spannungs-
versorgung
+12 V, 20 mA

Related product manuals