EasyManua.ls Logo

Omron R88D-1SN10F-ECT - Page 174

Omron R88D-1SN10F-ECT
974 pages
To Next Page IconTo Next Page
To Next Page IconTo Next Page
To Previous Page IconTo Previous Page
To Previous Page IconTo Previous Page
Loading...
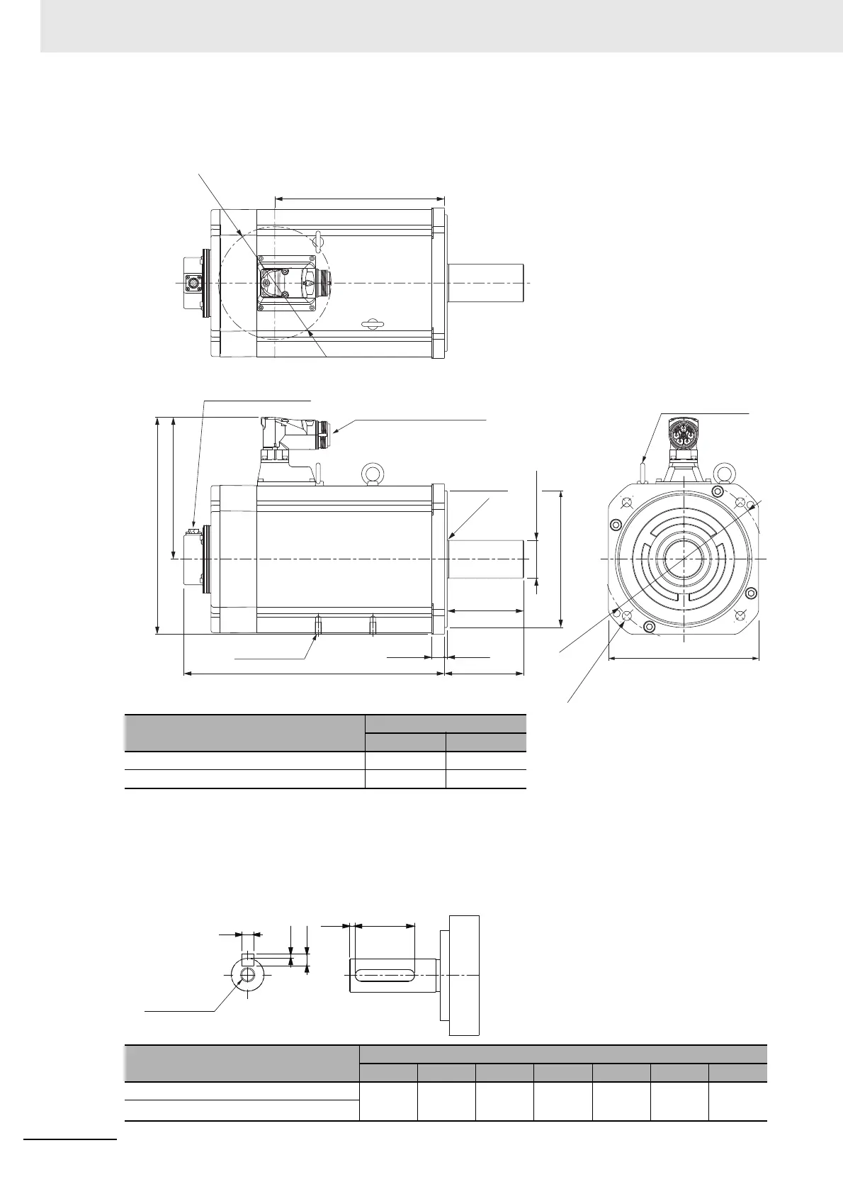
2 Models and External Dimensions
2 - 86
AC Servomotors/Servo Drives 1S-series with Built-in EtherCAT® Communications User’s Manual (I586)
11 kW/15 kW (with Brake)
R88M-1M11K015C-B(O/S2/OS2)/R88M-1M15K015C-B(O/S2/OS2)
Note The standard shaft type is a straight shaft. Models with a key and tap are indicated with “S2” at the end of
the model number.
Models with an oil seal are indicated with “O” at the end of the model number.
Shaft-end with key and tap
Model
Dimensions [mm]
LL L1
R88M-1M11K015C-B(O/S2/OS2) 382±3 249
R88M-1M15K515C-B(O/S2/OS2) 493±3 327
Model
Dimensions [mm]
QA QK W T U QE LT
R88M-1M11K015C-B(S2/OS2) 3 93 10 M20 40
R88M-1M15K015C-B(S2/OS2)
112±0.95
208±3
(318)
(L1)
(165 dia.)
4-13.5±0.5 dia.
235±0.23 dia.
18.5±1
4±0.5
116±1LL
R1.5max.
0
200-0.046 dia.
55+0.011 dia.
+0.030
Eye bolt (2-M8)
2-M8
(For eye bolt)
Encoder connector
Motor and brake connector
220×220±3
T
W
U
QA QK
Key and tap cross section
QE (tap)
LT (tap depth)
-0.043
0
16
-0.4
0
4

Table of Contents

Related product manuals