EasyManua.ls Logo

Omron R88D-1SN20F-ECT

Omron R88D-1SN20F-ECT
974 pages
To Next Page IconTo Next Page
To Next Page IconTo Next Page
To Previous Page IconTo Previous Page
To Previous Page IconTo Previous Page
Loading...
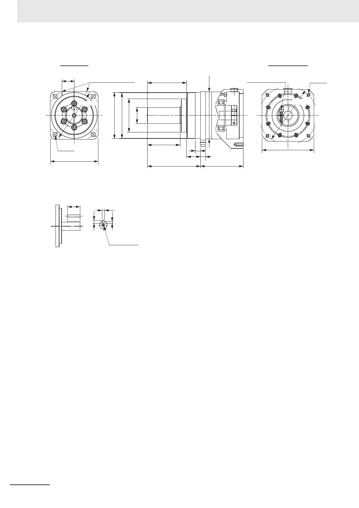
2 Models and External Dimensions
2 - 114
AC Servomotors/Servo Drives 1S-series with Built-in EtherCAT® Communications User’s Manual (I586)
Outline Drawing 1
Sh7 dia.
D5 dia.
D4 dia.
D3h8 dia.
E
T
F1
F2
LR
G
LM
C2×C2
QK
b
h
t1
D2 dia.
4-Z2
Flange side
Servomotor side
C1×C1
4-Z1-dia.
(65)
2-M10×20
Taps for eye bolts
*3
D6 dia.
D1 dia.
Set bolt (AT)
Key and tap dimensions
M (Depth L)
*3. The model R88G-HPG65 has the taps for eye bolts.

Table of Contents

Related product manuals