EasyManua.ls Logo

Omron SYSDRIVE 3G3FV-*-CUE - Page 47

Omron SYSDRIVE 3G3FV-*-CUE
78 pages
Print Icon
To Next Page IconTo Next Page
To Next Page IconTo Next Page
To Previous Page IconTo Previous Page
To Previous Page IconTo Previous Page
Loading...
www.dadehpardazan.ir 88594014-15
2-28
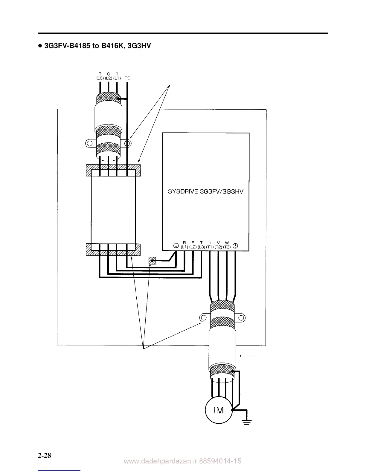
D 3G3FV-B4185 to B416K, 3G3HV-B4185 to B416K
Ground bonds (remove any paint.)
Mains
Filter
Load
Cable length: 40 cm max.
Metal plate
Ground bonds (remove any paint.)
Motor cable: 20 m max.
Installation of Noise Filter and Inverter
Installation Chapter 2

Related product manuals