EasyManua.ls Logo

Onkyo A-7022

Onkyo A-7022
9 pages
To Next Page IconTo Next Page
To Next Page IconTo Next Page
To Previous Page IconTo Previous Page
To Previous Page IconTo Previous Page
Loading...
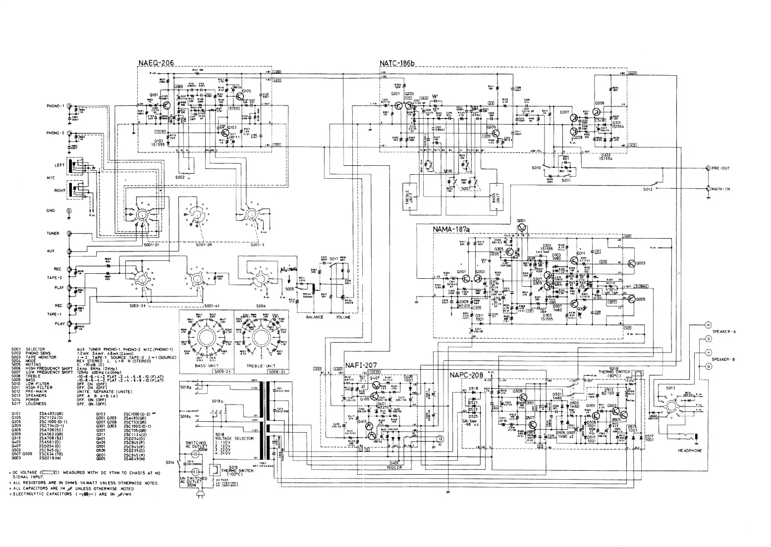
S007
LOW
FREQUENCY
SHIFT
125Hz.
400Hz
(400Hz)
$008
TREBLE
$10,
-8.-6.-4.+2.
FLAT.
«2.
24..6.+8.
«10
(FLAT)
S009
BASS
=10.-8
-6.-4.~+2,
FLAT
«2.64.
+658.
+10
(FLAT)
$010
LOW
FILTER
OFF.
ON.
a
$011
HIGH
FILTER
OFF.
ON.
(OFF
$012.
PRE-MAIN
UNITE.
SEPARATE.
(UNITE)
$013.
SPEAKERS
OFF.
A.
8
A+B.
(A)
$014
POWER
OFF.
ON.
(OFF)
$017.
LOUDNESS
OFF.
ON.
(OFF)
Qidt
284493(GR)
Q103
25C€1000
(0-2)
Q105
2501124
(3)
Q201.0203
25A493(GR)
Q205
25C
1000
(0-1)
Q207.G208
25C733(GR)
Q209
28€
734
(0-1)
Q301.
4303
28C
1000
(0-1)
Q305
254706(52)
-
Q307
2SC
735
(GR)
Q309
2SA562
(GR)
Q311
28C€1124(2)
Q313
284706
(52)
Q401
280234(0)
Q403
2S4561
(0)
405
2S8C945(P)
Q407
280234
(0)
Q501
2SC945(P)
deer
osoo
|
fseeae
90
ool
decane
aoo1
2SC945(P
Q003
2$0218(M)
Q005
at
yitit
oO
o
DC
VOLTAGE
((—¥1)
MEASURED
WITH
OC
VTVM
TO
CHASIS
AT
NO
SIGNAL
INPUT.
ALL
RESISTORS
ARE
IN
OHMS.
VGWATT
UNLESS
OTHERWISE
NOTED.
ALL
CAPACITORS
ARE
IN
pF
UNLESS
OTHERWISE
NOTED.
ELECTROLYTIC
CAPACITORS
(—-#R—)
ARE
IN
pF/Wy.
NAEQ-206
PHONO
-1
73
Sees
ie
coot
T
0047
PHONO
-2
(Q-¢———-—___—
'poos
GNO
TUNER
AUX
TAPE
-1
PLAY
@
Ww
FA
2
°
e
a)
SELECTOR
AUX.
TUNER.
PHONO-1.
PHONO-2.
MIC.(PHONO-1)
PHONO
SENS
1.2mV.
2amV.
48mV.(2.4mvV)
TAPE
MONITOR
12.
TAPE-1.
SOURCE.
TAPE-2.
2-~1.(SOURCE)
MODE
REV.
STEREO.
L.
L+R.
A.
(STEREO)
MUTING
0.
-20dB.
(0)
HIGH
FREQUENCY
SHIFT
2KHz.
8KHz.
(2KHz)
REC
73
S003
=3:fi
os
Se
aed
ee
cis
cng
00036)
O01
S064:
2R
coi?
oo
cos
O15
BASS-
UNIT
R179
150K
NATC-
186b
So
err
4+
83
R203
!
150K
'
Q201
-IN
é
R021
15M
zor
SOIT
Gen”
Lal
RO87
=
Rot
re
aoc!
$005
a
|
7
RoIS0
R017
g
SOOKMN
18K
nOwSe
7508
bs
te
yt
BALANCE
=
VOLUME
R601
3312)
wOOC2R
lah
Qi2/25
SP
:
aoe
7
R201
:
‘he
1M
BP
33K
;
ee
|
Fear
|
om
»
wn
Rg
C225
O01)
e
a
I
Ay
8
y
x2
"as
a
2
°
4
3
ral
bh
oo
oe
2
a8
ze
A211
Cz
i
0047
R215
C209
2.2K
at
at
Be
16
R217
1
aoee
=
@207
am
G
Digan
|
CH
E
:
4
le
_
tour
or--7
J
62
gov)
181554
pomar®
©)
PRE
-OUT
RO3)
15M
ton
=
SOT
2
5012
°
©)
MAIN-
IN
coo?
8200750
her
coos
8700/50
einen
(
I
!
030)
428
181555
ra
18)
C315
3307
e)
151555
SPEAKER
-A
SPEAKER-
B
S016
THERMO
SWITCH
pF
$013
.
Fo
ad
a
aie
©
abo
rx)
Rech
K)
|
ee
pe
Tar
re
a
r
Wo
Ren
AD
"
ct
390(2K)
»
0517
"
:
10D1
?
'
HE
ADPHONE

Related product manuals