EasyManua.ls Logo

Onkyo HT-R508 - Remote Buttons Explained

Onkyo HT-R508
140 pages
Print Icon
To Next Page IconTo Next Page
To Next Page IconTo Next Page
To Previous Page IconTo Previous Page
To Previous Page IconTo Previous Page
Loading...
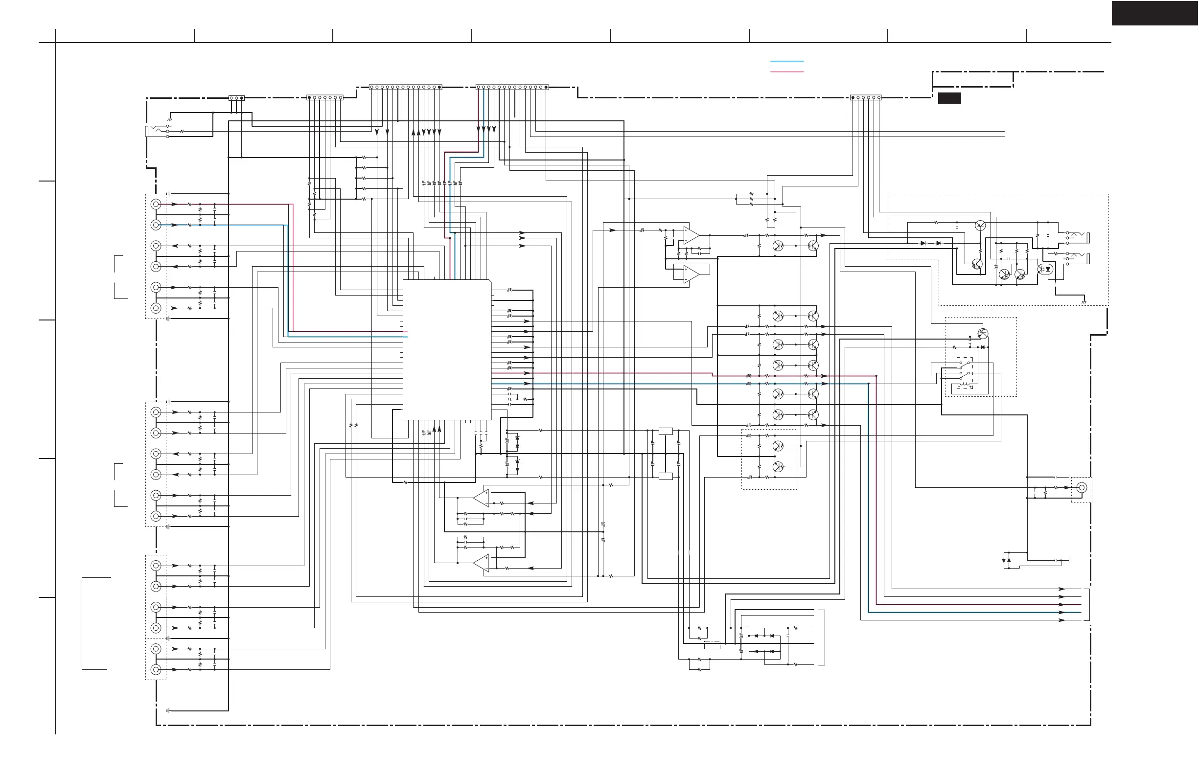
SCHEMATIC DIAGRAMS-1
AUDIO INPUT SECTION
HT-R508
DMIXR
L_OUT
SW_OUT
+12VTRG
+22V
GND_TRG
SL_OUT
SR_OUT
R_OUT
SW_OUT1
Z2_R
DAC_FL
DMIXL
DAC_SW
Z2_L
C_OUT
C_OUT
L_OUT
R_OUT
SL_OUT
SR_OUT
-12V
+12V
DAC_FR
MIC
TUPACK_R
VIDEO4_L
RI
AD_L
AD_R
-12V
GND_A
VOL_CLK
VOL_DATA
+12V
GND_D
SEC1H
PROTECT
PROTECT
SEC1H
VOLH
VOLH
AMUT
DAC_SBR1
DAC_SBL1
SIRIUS_R
SIRIUS_L
GND_A
XM_R
XM_L
+12V
-12V
TUPACK_L
VIDEO4_R
GND_A
IR
+5.6IR
GND_IR
TZ2
Z2MUT
SB/PREMUTE
DAC_FL1
DAC_SW1
DAC_C1
DAC_FR1
DAC_SL1
SR
SL
R
L
C
GND_S1
GND
+22V
-22V
GND_TU
S1L+
S1L-
GND_E
DAC_SR1
Downmix
NC
PREOUT RELAY
RI
CD
OUT
IN
CBL/SAT IN
OUT
VCR/DVR
Subwoofer
+/-12V Supply
SURROUND
FRONT
DVD (MULTI IN)
+/-7V Supply
SUBWOOFER
J5063
NC
To NADG-9177
(SD-3 : A3)
NC
C5603
47/50
Q5503A
NJM4580M-D
1
2
3
4
R5593
1.2K
R5590
10K
R5594
10K
R5592
470
R5595
10K
R5591
10K
C5556
47/25
C5557
47/25
C5558
47/25
C5559
474J
C5561
223J
R5631
47K
R5630
220
R5632
15K
R5633
1.2K
R5634
10K
Q5630A
NJM4580M-D
3
2
1
4
Q5630B
NJM4580M-D
5
6
8
7
C5552
NC
C5553
47/25
C5554
47/25
C5555
47/25
D9001
D9003D9004
C5671
10/50
R5814
NC
R5813
NC
R5623
0
R5624
0
R5613
2.2K
C5608
47/50
R5608
220K
R5616
2.2K
R5606
220K
R5607
220K
R5615
2.2K
C5605
47/50
R5614
2.2K
C5604
47/50
R5604
220K
R5605
220K
R5603
220K
R5600
220K
R5618
2.2K
R5609
220K
P6221
22
24
21
2
10
1
C6226
104Z
R6226
100K
R6222
10K
R6223
10K
R6224
3.3K
C6221
223K
C6227
104Z
R6227
3.3
D6222D6221
Q6223
RN1402
3
1
2
Q6222
RN1402
3
1
2
R6228
1K
Q6227
RN1402
1
3 2
Q6226
2SB1068-U
3
1
2
R5617
2.2K
R5627
0
C5606
47/50
C5607
47/50
R5610
270
R5620
100
R5625
0
R5626
0
R5506
330
R5507
330
R5508
330
R5513
330
R5514
330
R5515
330
R5516
330
R5517
330
C5507
221J
C5508
221J
C5513
221J
C5514
221J
C5515
NC
C5516
NC
R5518
330
RL5700
8
10
5
3
12 1
4
9
Q5503BM-D
NJM4580
7
8
6
5
R5599
10K
C5631
221J
R5596
470
R5597
1.2K
R5504
330
R5505
330
C5505
NC
C5506
NC
C5504
221K
R5519
330
R5520
330
R5521
330
R5522
330
R5523
330
C5522
221J
C5523
221J
C5521
221J
R5524
330
R5619
2.2K
C5609
47/50
R5543
220K
R5544
220K
R5545
220K
R5546
220K
R5547
220K
R5548
220K
R5553
220K
R5554
220K
R5555
220K
R5556
220K
R5557
220K
R5558
220K
R5559
220K
R5560
220K
R5561
220K
R5562
220K
R5563
220K
R5564
220K
Q5700
RN1402
D5700
1SS133
R5668
22
Q5501
R2S15211FP
64
64 : INL9
63
63 : INR9
62
62 : INLA/RECL1
61
61 : INRA/RECR1
60
INL8
59
INR8
58
INL7
57
INR7
56
INL6
55
INR6
54
INL5
53
INR5
52
INL4
51
INR4
50
INL3
49
INR3
48
INL2
47
INR2
46
INL1
45
INR1
44
AVEE
43
CLOCK
42
42 : DATA
41
43 : DGND
40
MONO
39
SUBL
38
SUBR
37
ADCR
36
ADCL
35
FRIN2
34
FLIN2
33
SRIN2
32
SLIN2
31
SWIN2
30
CIN2
29
SBRIN2
28
SBLIN2
27
TRE_R
26
BASS_R2
25
BASS_R1
24
AVCC : 24
23
TRE_L : 23
22
BASS_L2 : 22
21
BASS_L1 : 21
20
FRC
19
FROUT
18
AGND
17
FLOUT
16
FLC
15
6-C
14
6-OUT
13
AGND
12
5-OUT
11
5-C
10
4-C
9
4-OUT
8
AGND
7
3-OUT
6
3-C
5
2-C
4
2-OUT : 4
3
AGND : 3
2
1-OUT : 2
1
1-C : 1
80
SBRIN1
79
SBLIN1
78
SRIN1
77
SLIN1
76
SWIN1
75
CIN1
74
FRIN1
73
FLIN1
72
RECL3
71
RECR3
70
INL11/RECL5
69
INR11/RECR5
68
INL10/RECL4
67
INR10/RECR4
66
INLB/RECL2
65
INRB/RECR2
(Botom view)
R6221
100
Q6221
PC817X
C6229
104Z
C5551
NC
C5700
103Z
C5666
220/25
R5667
22
R5666
22
R5575
220K
R5579
220K
R5576
220K
R5580
220K
R5581
220K
R5583
220K
R5582
220K
P5505
P7900
P301
1
2
3
4
5
6
C5667
220/25
C5670
10/50
C5672
220/25
C5673
220/25
P302
1
2
3
4
5
6
7
8
9
10
11
12
13
14
JL5502A
1
2
3
4
5
6
7
P303
14
13
12
11
10
9
8
7
6
5
4
3
2
1
C5630
47/50
P7904
10
P7905
P7906
R5571
R5500
330
C5600
100/25
C6222
100/25
+
C5503
221K
C5564 223J
C5517
221J
C5590 330J
R5598
10K
C5591 330J
C5518
221J
C5519
221K
C5520
221K
C5524
221K
C5632
103J
P7908
Q5671
79M12
3
O
2
I
1
G
Q5670
78M12
3
O
2
G
1
I
R5503
330
D5708
D5718
C9003
1000/35
C9004
1000/35
R5673
(2W)
68
R5671
(2W)
68
D5671
MTZJ6.2C
D5673
1SS133
1
D5672
MTZJ6.2C
D5674
1SS133
1
D9002
C9001
334J
P6991
R5585
1.8K
C5560
823J
R5586
1.8K
C5562
474J
C5563 823J
R5674
82(1W)
R5675
82(1W)
R5589
1K
C5531
R5531
100
C5674
470/16
C5675
470/16
R5672
(2W)
47
R5670
(2W)
47
R5660
(1W)
2.2
R5661
(1W)2.2
Q5600
RN1441
Q5603
RN1441
Q5604
RN1441
Q5605
RN1441
Q5606
RN1441
Q5607
RN1441
Q5610
RN1441
Q5613
NC
Q5614
NC
Q5615
NC
Q5616
NC
Q5617
NC
Q5609
RN1441
Q5608
RN1441
P7902
C5566
47/25
C5565
47/25
R5577
47K
R5578
47K
R5587 10K
R5588 10K
R5680
NC
R5681
220K
R5682
NC
C556947/50
C557647/50
C557047/50
C557147/50
C557447/50
C557547/50
C557247/50
C557347/50
C5708
222K
C5707
P304
3
2
1
To NADG-9177
(SD-3 : A2)
To NADG-9177
(SD-3 : A2)
NC
To NAAF-8779(2/2)
(SD-2 : A3)
To NAAF-8779(2/2)
(SD-2 : D4)
To NAAF-8779(2/2)
(SD-2 : B5)
D9001 - 9004 : RL1N4003
NC
NC
PREOUT
TAPE
IN
NAAF-8779(1/2)
U01 AMPLIFIER PC BOARD
SUBWOOFER
CENTER
R
L
R
L
R
L
R
L
R
L
R
L
R
L
R
L
SELECTOR / VOLUME
<Note>
NC = No mount of parts.
SD-Z : XY
Location of connected terminal in schematic diagrams.
SD-Z = Schematic diagrams-Z. X = A to H, Y = 1 to 5.
FRONT Lch
FRONT Rch
NC
NC
NC
A
1
2
3
4
5
BCDEFGH

Other manuals for Onkyo HT-R508

Related product manuals