EasyManua.ls Logo

Onkyo HT-R508 - Page 65

Onkyo HT-R508
140 pages
Print Icon
To Next Page IconTo Next Page
To Next Page IconTo Next Page
To Previous Page IconTo Previous Page
To Previous Page IconTo Previous Page
Loading...
TX-SR505/505E
IC BLOCK DIAGRAMS AND TERMINAL DESCRIPTIONS-17
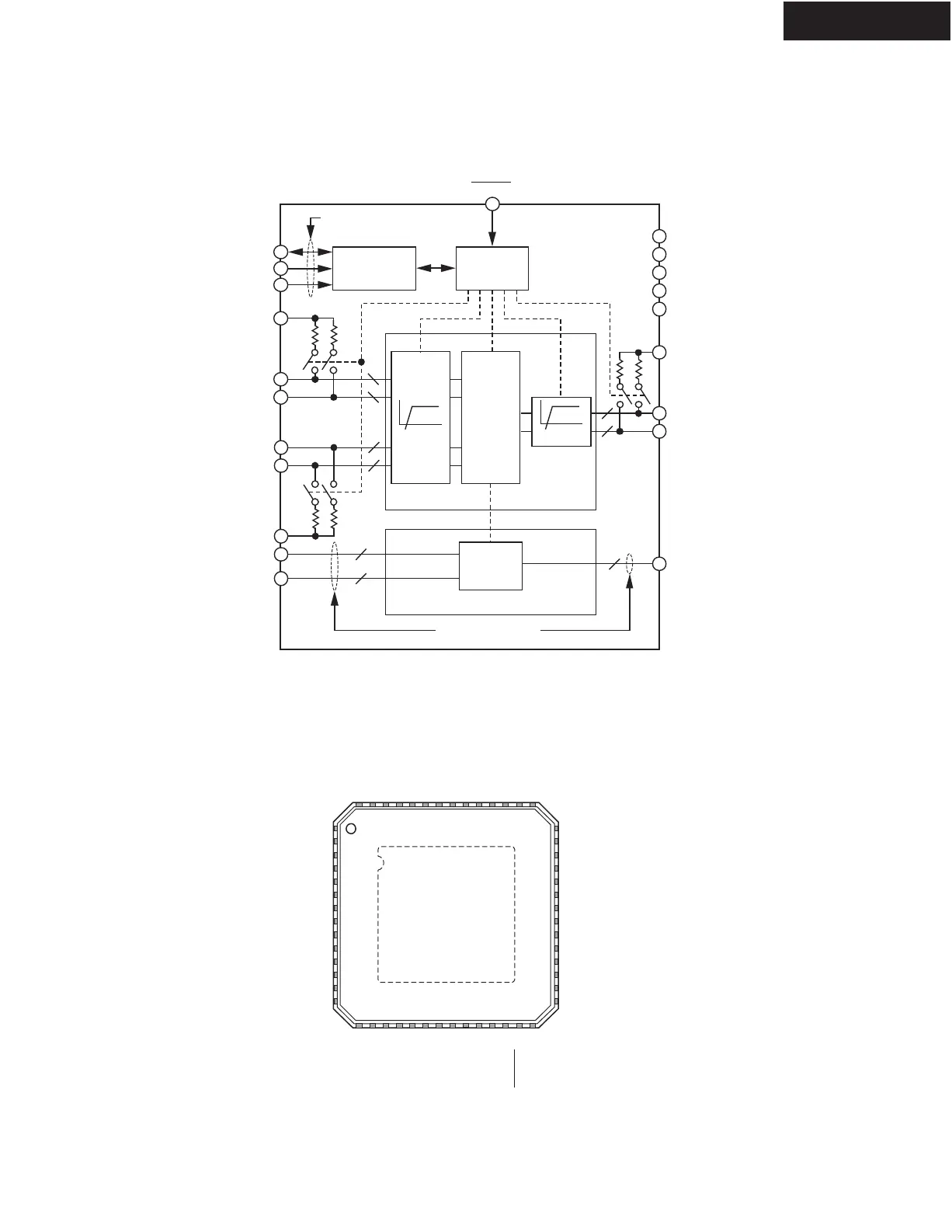
Q8003 : AD8196 (HDMI/DVI Switch with Equalization)-1/2
PIN LAYOUT
BLOCK DIAGRAM
AVCC
DVCC
AMUXVCC
AVEE
DVEE
VTTO
OP[3:0]
AUX_COM[3:0]
I2C_SDA
I2C_SCL
I2C_ADDR
ON[3:0]
+
4
4
4
4
4
AD8196
RESET
CONTROL
LOGIC
CONFIG
INTERFACE
SERIAL INTERFACE
VTTI
IP_A[3:0]
IN_A[3:0]
+
4
4
VTTI
IP_B[3:0]
IN_B[3:0]
+
4
4 PE
EQ
SWITCH
CORE
AUX_A[3:0]
AUX_B[3:0]
BIDIRECTIONAL
SWITCH
CORE
1
AVCC
2
IN_A0
3
IP_A0
4
AVEE
5
IN_A1
6
IP_A1
7
VTTI
8
IN_A2
9
IP_A2
10
AVCC
11
IN_A3
12
IP_A3
13
AVEE
14
I2C_ADDR
35
IP_B1
36
VTTI
37
IN_B2
38
IP_B2
39
AVEE
40
IN_B3
41
IP_B3
42
AVCC
34
IN_B1
33
AVCC
32
IP_B0
31
IN_B0
30
AVEE
29
I2C_SDA
15
DVCC
16
ON0
17
OP0
19
ON1
21
DVCC
20
OP1
22
ON2
23
OP2
24
VTTO
25
ON3
26
OP3
27
RESET
28
I2C_SCL
18
VTTO
45
AUX_B1
46
AUX_B0
47
AMUXVCC
48
AUX_COM3
49
AUX_COM2
50
AUX_COM1
51
AUX_COM0
52
DVEE
53
AUX_A3
54
AUX_A2
44
AUX_B2
43
AUX_B3
TOP VIEW
(Not to Scale)
AD8196
55
AUX_A1
56
AUX_A0
HIGH SPEED BUFFERED
LOW SPEED
UNBUFFRED

Other manuals for Onkyo HT-R508

Related product manuals