EasyManua.ls Logo

Onkyo TX-SR302 - Page 11

Onkyo TX-SR302
40 pages
Print Icon
To Next Page IconTo Next Page
To Next Page IconTo Next Page
To Previous Page IconTo Previous Page
To Previous Page IconTo Previous Page
Loading...
11
RLRL
FRONT
SPEAKERS A
FRONT
SPEAKERS B
RL
SURROUND
SPEAKERS
CENTER
SPEAKER
AC OUTLET
ANTENNA
FM
75
AM
DIGITAL
OUT
VIDEO
OUT
AUDIO
OUT
VIDEO
IN
AUDIO
IN
RL RLLR
LR
VIDEO
OUT
AUDIO
OUT
VIDEO
OUT
AUDIO
OUT
LR
VIDEO
OUT
FRONT
CENTER
SUBWOOFER
SURR
LR
AUDIO OUT
COAXIAL
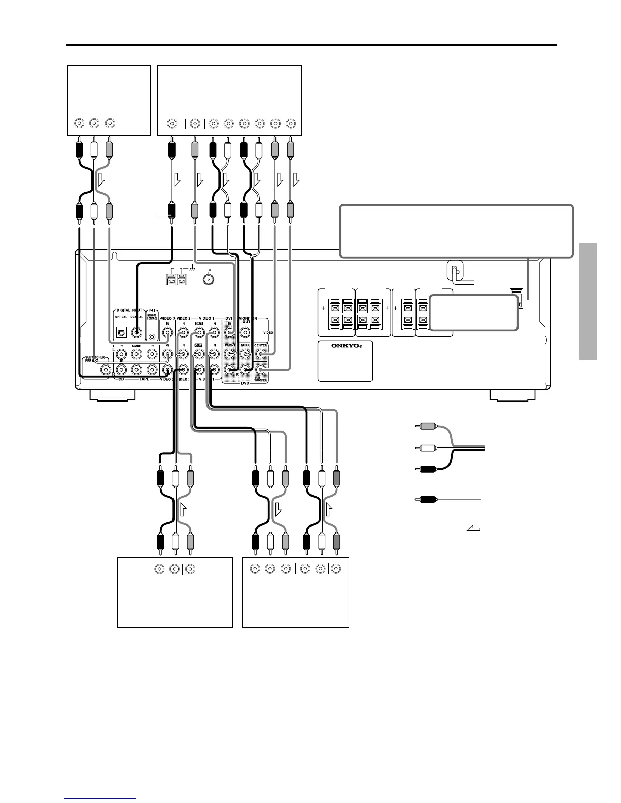
DVD player or component
with 5.1 ch output (DVD)*
1
Video cassette player,
Satellite tuner, LD
player
*
3
, etc. (VIDEO 2)
VCR (VIDEO 1)
Audio/video
connection
cable
Audio (R)
Signal flow
Coaxial cable
(Digital signal)
Coaxial plug
Connecting to audio/video equipment
*
1
If the DVD player has both 5.1 channel audio outputs and 2 channel audio outputs, and you want to connect the DVD player only using
the FRONT L/R jacks on the TX-SR302, use the 2 channel audio output jacks on the DVD player.
If the DVD player only has the 2 channel audio outputs, connect it to the FRONT L/R jacks.
*
2
To connect the digital output from DVD player connected to the DVD jacks to this unit, use the COAXIAL input jack.
To connect the digital output to the OPTICAL input jack of this unit, it is required to change the assignment of digital inputs to input
sources by referring to “Setting the digital inputs” on page 21.
*
3
If you have an LD player with AC-3RF output, connect via an AC-3RF demodulator to one of the TX-SR302’s DIGITAL INPUT
terminals.
Audio (L)
Video
Caution
Make sure that the capacity of the other components connected
to this unit does not exceed the capacity that is printed on the
rear panel (120 watts).
To connect the digital
output from satellite
tuner etc. connected to
the VIDEO 1, VIDEO 2
or VIDEO 3 jacks to the
COAXIAL or OPTICAL
input jack of this unit, it is
required to change the
assignment of digital
inputs to input sources by
referring to “Setting the
digital inputs” on page
21.
DO NOT connect the
power cord at this
time.
Video Camera,
Game Device, etc.
(VIDEO 3)
*
2

Other manuals for Onkyo TX-SR302

Related product manuals