EasyManua.ls Logo

Onkyo TX-SR402 - Page 12

Onkyo TX-SR402
89 pages
Print Icon
To Next Page IconTo Next Page
To Next Page IconTo Next Page
To Previous Page IconTo Previous Page
To Previous Page IconTo Previous Page
Loading...
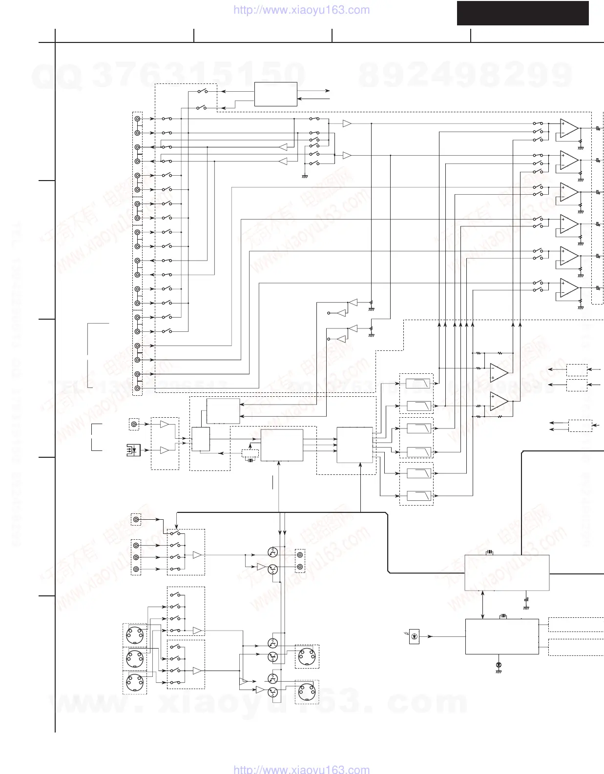
BLOCK DIAGRAM
TX-SR402/8240/HT-R420TX-SR402/8240/HT-R420
A
1
2
3
4
5
BCDEFGH
SUBWOOFER PREOUT
AC OUTLET
Q
BASSBOOST
MUTING
MUTING
OUTPUT GAIN
0-18dB
OUTPUT GAIN
0-18dB
OUTPUT GAIN
0-18dB
OUTPUT GAIN
0-18dB
OUTPUT GAIN
0-18dB
OUTPUT GAIN
0-18dB
INPUT GAIN
0/6dB
INPUT GAIN
0/6dB
INPUT GAIN
0/6dB
INPUT GAIN
0/6dB
INPUT GAIN
0/6dB
INPUT GAIN
Q301 BD3811K
0/6dB
Q302(1/2)
10.5dB
Q302(2/2)
Q305
15dB
NC
NC
VIDEO3
CD
L
R
L
R
L
R
L
R
L
R
L
R
L
R
L
R
L
R
CENTER
SUB WOOFER
TAPE IN
TAPE OUT
VIDEO-1 OUT
VIDEO-1 IN
VIDEO-2 IN
FRONT
SURROUND
DVD
BACK
UP
Q7501
OPERATION KEY
16BT123GK
FL TUBE
STANDBY
D7507
RL6901
INPUT ATT
-6dB
MASTER VOLUME
0,,-103dB
50KLPF
SW
50KLPF
C
50KLPF
SR
50KLPF
SL
50KLPF
R
50KLPF
L
SEC2
DIR
2CH A/D
96/24
VIDEO SELECTOR
MAIN
MICROPROCESSOR
Q7008
MPD784225GC-XXX-8BT
SUB
MICROPROCESSOR
Q7502
MPD780232GC-XXX-8BT
Q701
CS493264
DSP
96/24
6CH D/A
Q801
AK4586
Q804
Q803
Q802
OPTICAL
BASS/TREBLE
BASS/TREBLE
AC IN
F901
P902
RL901
D921
-924
D9502
-9504
D6904D6903
RL6902
POWER
AMP
D9509
-9512
PRI.
SEC1
T902
RI
U7501
REMOTE SENSOR
SEC3
+B1L+B1H
PHONES
VIDEO
VIDEO2 IN
VIDEO1 IN
DVD IN
12.5MHZ
5MHZ
12.288MHZ
VIDEO
MUTE
Q202
MUTE
Q211
Q210
Q207
Q208
Q201
MONITOR OUT
VIDEO 1 OUT
SEC1H/L
CONTROL
Q4606
78M05
+5VDSP
Q6402
78M12
Q6403
79M12
-12VAF
-12VAF
VIDEO SECTION
PREAMPLIFIER
SECTION
DSP SECTION
-VP
+12V
Q9501
FL TUBE
FLAC
FLAC
RELAY
+B2
SEC1H
+B1
-B1
Q6931
NJM78M56A
Q6405
78M12
+5.6V
MICROPROCESSOR
SUB MICROPROCESSOR
POWER
OSC
+5V
-12VAF
+12VAF
+7V
-7V
+2.5V
DSP
POWER SUPPLY
POWER SUPPLY
VOLTAGE
LEVEL SENSOR
R6380
THERMAL
SENSOR
VOLH
PRO
D6704
DC VOLTAGE
DETECTION
OVER CURRENT
DETECTION
Q6701~6703
RI
INTERFACE
COAXIAL
Q281
74HCU04
VIDEO3 IN
+27dB
+27dB
+27dB
+27dB
+27dB
POWER
AMPLIFIER
Y
C
S-VIDEO
MONITOR OUT
Y
C
VIDEO 2 IN
Y
C
S-VIDEO
VIDEO 1 IN
Y
C
VIDEO 1 OUT
Y
C
DVD IN
L
R
FRONT SPEAKERS-A
FRONT SPEAKERS-B
SURROUND SPEAKERS
CENTER SPEAKER
L
R
L
R
+3.3V
78
77
2
69 68
1
55
72
66 65
71
57
4
3
43 42
38
6
5
40 39
8
37
7
30 31
76
35
75
33 34
10
36
SWPO
9
23
21
26
25
28
27
24
22
12
18
11
AMUT
14
20
13
16
15
17
19
SPF
SPCS
SPB
HPDET
SELMUT
SELDA
SELCL
RST.CS.INTREQ/CL/DA/SCDO
RST.CS/CL/DA/
CDTO/INT1.2.
CTLA/B
VMUT2
VMUT1
DIGITAL IN
Q7004
BA33C25
Q321
78L07
Q322
79L07
Q307
MUTING
Q312
Q313
Q306
Q308
D6703
RL6603
RL6601
RL6604
RL6600
Q203
LA7956
Q213
LA7956
Q212
LA7956
SUB
TRANSFORMER
T901
MAIN
TRANSFORMER
+BV
TUNER UNIT
MAIN MICROPROCESSOR
w
w
w
.
x
i
a
o
y
u
1
6
3
.
c
o
m
Q
Q
3
7
6
3
1
5
1
5
0
9
9
2
8
9
4
2
9
8
T
E
L
1
3
9
4
2
2
9
6
5
1
3
9
9
2
8
9
4
2
9
8
0
5
1
5
1
3
6
7
3
Q
Q
TEL 13942296513 QQ 376315150 892498299
TEL 13942296513 QQ 376315150 892498299
http://www.xiaoyu163.com
http://www.xiaoyu163.com

Related product manuals