EasyManua.ls Logo

Onkyo TX-SR502E - Page 27

Onkyo TX-SR502E
118 pages
Print Icon
To Next Page IconTo Next Page
To Next Page IconTo Next Page
To Previous Page IconTo Previous Page
To Previous Page IconTo Previous Page
Loading...
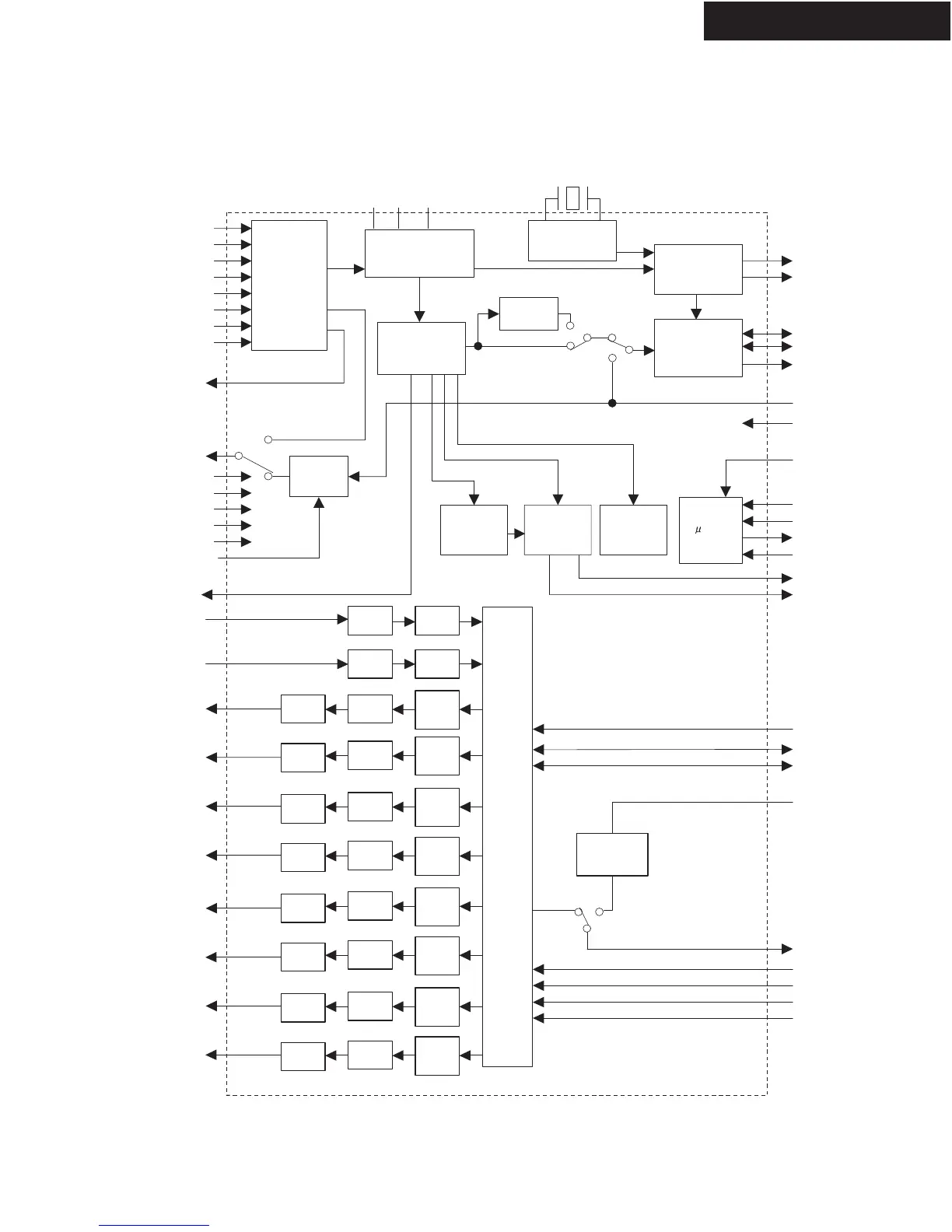
IC BLOCK DIAGRAM AND TERMINAL DESCRIPTIONS-17
Q800: AK4588VQ (2/8-Channel Audio CODEC with DIR)-1
BLOCK DIAGRAM
TX-SR502/E/8250/HT-R520
DVDD
DVSS
TVDD
RX0
RX1
RX2
RX3
RX4
RX5
RX6
RX7
TX0
TX1
B,C,U,
VOUT
VIN
LOUT1
ROUT1
LOUT2
ROUT2
LOUT3
ROUT3
RIN
LIN
LOUT4
ROUT4
AVDD
AVSS
Clock
Recovery
DAIF
Decoder
X'tal
Oscillator
XTOXTI
RPVDDPVSS
DIT
8 to 3
Input
Selector
Clock
Generator
DEM
Audio
I/F
PDN
INT0
LRCK2
BICK2
SDTO2
DAUX2
MCKO2
CDTI
CDTO
CCLK
CSN
MCKO1
I2C
INT1
LRCK1
BICK1
SDTI1
SDTI2
SDTI3
DAUX1
MCLK
SDTO1
SDTI4
AC-3/MPEG
Detect
P I/F
Error &
STATUS
Detect
Q-subcode
buffer
Format
Converter
Audio
I/F
MCLK
LRCK
BICK
SDOUT
SDIN1
SDIN2
SDIN3
SDIN4
HPF
ADC
ADC
HPF
LPF
LPF
LPF
LPF
LPF
LPF
LPF
LPF
DATT
DEM
DATT
DEM
DATT
DEM
DATT
DEM
DATT
DEM
DATT
DEM
DATT
DEM
DATT
DEM
DAC
DAC
DAC
DAC
DAC
DAC
DAC
DAC

Other manuals for Onkyo TX-SR502E

Related product manuals