EasyManua.ls Logo

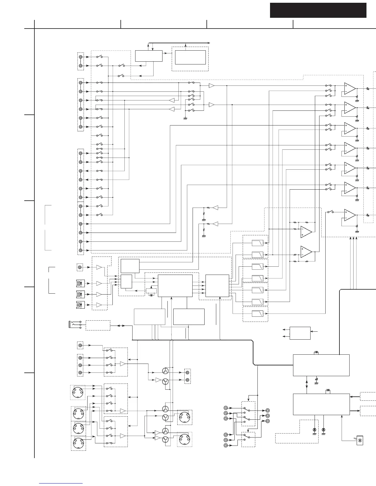
Onkyo TX-SR502E - Block Diagram

Onkyo TX-SR502E
118 pages
Print Icon
To Next Page IconTo Next Page
To Next Page IconTo Next Page
To Previous Page IconTo Previous Page
To Previous Page IconTo Previous Page
Loading...
BLOCK DIAGRAM
TX-SR502/E/8250/HT-R520TX-SR502/E/8250/HT-R520
A
1
2
3
4
5
BCDEFGH
L
R
L
R
Q
INPUT GAIN
0/6DB
INPUT GAIN
0/6dB
INPUT GAIN
0/6dB
OUTPUT GAIN
0-18dB
Q302(1/2)
-6dB
+4.5dB
Q302(1/2)
-6dB
+4.5dB
OUTPUT GAIN
0-18dB
OUTPUT GAIN
0-18dB
OUTPUT GAIN
0-18dB
OUTPUT GAIN
0-18dB
OUTPUT GAIN
0-18dB
INPUT GAIN
0/6dB
INPUT GAIN
0/6dB
INPUT GAIN
0/6dB
INPUT GAIN
0/6dB
Q305
15dB
VIDEO3
CD
TAPE IN
TAPE OUT
VIDEO-1 OUT
VIDEO-1 IN
VIDEO-2 IN
DVD
SURR.
CENTER
BACK UP
STANDBY
D7507
RL6901
S
MASTER
VOLUME
0,,-103DB
50KLPF
SB
+6dB
50KLPF
SW
+6dB
50KLPF
C
+6dB
50KLPF
SR
+6dB
50KLPF
SL
+6dB
50KLPF
R
+6dB
50KLPF
L
+6dB
SEC2
16M SDRAM
(520 ONLY)
Q7301
IC42S16100
Q702
MX29LV040
FLASH
MEMORY
FM/AM TUNER
PACK
2CH A/D
96/24
DIR
RDS DECODER
BU1924FS
MPP TYPE ONLY
MAIN MICRO PROCESSOR
1
VIDEO SELECTOR
1
1
1
1
1
Q7008
MAIN MICROPROCESSOR
MPD784225
Q7502
SUB MICROPROCESSOR
MPD780232GC-030
Q701
CS494003CQ-Z
DSP
96/24
8CH D/A
OPTICAL 3
OPTICAL 2
OPTICAL 1
BASS/TREBLE
BASS/TREBLE
AC IN
SEC1
T902
U7501
REMOTE
SENSOR
SEC3
+B1L
+B1H
PHONES
VIDEO
VIDEO2 IN
VIDEO1 IN
DVD
12.5MHZ
5MHZ
12.288MHZ
VIDEO OUT
MONITOR OUT
VIDEO 1
OSC.
+5VDSP
Q7004
BA33C25
FL TUBE
FLAC
FLAC
SEC1 VOLTAGE
CONTROL
+B2
SEC1H
+B1
POWER
COAXIAL
VIDEO3
+27dB
+27dB
+27dB
+27dB
+27dB
+27dB
YC
S-VIDEO
MONITOR
OUT
YC
VIDEO 3
YC
VIDEO 2 IN
YC
S-VIDEO
VIDEO 1 IN
YC
VIDEO 1
YC
DVD
POWER SW
FUSE
L
R
FRONT SPEAKERS-A
FRONT SPEAKERS-B
SURROUND SPEAKER
CENTER SPEAKER
SURROUND BACK SPEAKER
-6dB
-6dB
PURE
AUDIO
D7504
11
12
3
4
7
79 78
8
68
93
81 80
94
70
9
10
53 54
64
11
12
55 56
13
65
14
57 58
95
66
96
48 49
15
61
SWPO
16
39
38
41
42
40
44
91
92
24
25 51 52
AMUT
63
27
28
43
26
30
SPF
SPCS
SPB
HPDET
SELMUT
SELDA
SELCL
RST.CS.INTREQ/CL/DA/SCDO
RST.CS/CL/DA/CDTO/INT1.2.
A17
A16
A15
ROM/RAM
CTLA/B
VMUT2
VMUT1
Q800
AK4588VQ
Q301
BD3817KS
SELECTOR
VOLUME
TONE CONTROL
0dB
LA7956
Q203
LA7956
Q213
LA7956
Q212
FL DISPLAY
Q7501
OPERATION KEY
0dB
0dB
6dB
6dB
6dB
POWER AMPLIFIER
DIGITAL IN
Q281
74HCU04
+2.5V
+3.3V
POWER SUPPLY
Q804
Q802
Q803
Q202
Q201
Q211
Q210
Q207
Q208
MUTE
MUTE
DSP
CB
CR
VIDEO1
CY
CB
CR
VIDEO2
Y
CB
CR
Y
RL241
RL242
OUT
COMPONENT
VIDEO
+12VAF
Q321
78L07
+7V
POWER SUPPLY
-12VAF
Q322
79L07
-7V
MUTING
MUTING
MUTING
Q312 Q313
Q306
Q307
Q308
SUBWOOFER
PREOUT
R6831
THERMAL
SENSOR
RL6800
RL6804
RL6801
RL6803
-B1
D921
-924
S906
SUB
TRANSFORMER
EXCEPT
MDD, MDC
TYPE
RL901
P902
AC OUTLET
T901
MAIN
TRANSFORMER
POWER
AMP.
Q6406
78M05
+5VDSP
Q6402
78M12
Q6403
79M12
-12VAF
-12VAF
VIDEO
SECTION
PREAMPLIFIER
SECTION
DSP SECTION
-VP
+12V
Q9501
Q6931
NJM78M56A
Q6405
78M12
+5.6V
MICROPROCESSOR
SUB
MICROPROCESSOR
VOLTAGE
SENSOR
VOLH
PRO
D6704
DC VOLTAGE
SENSOR
CURRENT
SENSOR
Q6701~6703
D6703
R6830
THERMAL
SENSOR
BD3817KS
OP AMP.
Q801
FRONT
SUB WOOFER
L
R
L
R
D6904D6903
RL6902
D9602
-9505
D9513
EXCEPT MDD, MDC TYPE
RI
RI
INTERFACE
Q6407
EXCEPT MDD, MDC TYPE
POWER SUPPLY CONTROL
FOR PURE DIRECT MODE
PURE POW
CPNT
PROTHERM
FOR SEC1
VOLTAGE CONTROL

Other manuals for Onkyo TX-SR502E

Related product manuals