EasyManua.ls Logo

Onkyo TX-SR503 - Page 11

Onkyo TX-SR503
142 pages
Print Icon
To Next Page IconTo Next Page
To Next Page IconTo Next Page
To Previous Page IconTo Previous Page
To Previous Page IconTo Previous Page
Loading...
TX-SR503/503E/8350 TX-SR503/503E/8350
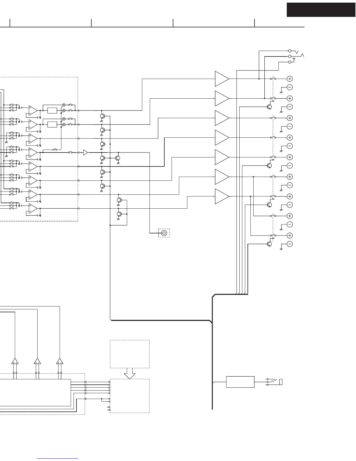
BLOCK DIAGRAM
FL_PO
FR_PO
CT_PO
SBL_PO
SBR_PO
TAPE_OUT_R
TAPE_OUT_L
V2_OUT_L
V2_OUT_R
Z2_R
Z2_L
MIX_R
MIX_L
SOURCE_L
SOURCE_R
RECOUT_L
RECOUT_R
MCH_SR
MCH_SL
MCH_SW
MCH_CT
ADLT+
ADRT+
ADLT-
ADRT-
ADRT-
ADRT+
ADLT+
ADLT-
RX3
DAC_FL
DAC_CT
DAC_SW
DAC_FR
DAC_SR
DAC_SBR
DAC_SBL
DAC_SL
VOLIN_SBR
VOLIN_SBL
RX2
Z2RL
SBRL
SPRLCS
SW_PO
AMUT
SL_PO
SR_PO
RX4
RX0
HPIN
SPRLF
TUNER UNIT
NJW1157
CD
TAPE OUT
TAPE IN
VIDEO2 IN
VIDEO1 OUT
VIDEO1 IN
DVD
(MULTI INPUT)
COAXIAL
RI
RI
INTERFACE
PREOUT
SUBWOOFER
FRONT-A
R
CENTER
SURROUND
PHONES
FRONT-B
SURROUND
BACK
L
SPEAKERS
TONE
TONE
-6dB
-6dB
+9.7dB
+20.2dB
DIR
2ch ADC
CS42518
8ch DAC
LPF
DSP
CS494003
FLASH ROM
MX29LV040
LPF
LPF
LPF
LPF
LPF
LPF
R
4M Bit
NJU7311
POWER
AMPLIFIER
+29dB
+29dB
+29dB
+29dB
+29dB
+29dB
+29dB
VIDEO3 IN
OPTICAL 1
52
53
54
55
56
57
58
59
60
61
62
63
64
65
66
67
68
69
70
71
73
73
51
74
41
43
23
25
22
24
26
21
27
29
28
30
44
42
46
45
48
47
93
92
91
95
90
89
88
86
85
84
83
87
82
81
80
7
6
5
4
3
2
1
94
8
9
8
12
17
10
19
20
21
11
18
4
25
3
26
2
27
22
7
23
6
5
24
16
15
14
13
49
48
43
42
47
46
45
44
50
37
36
107
118
106
81
80
86
134
109
110
58
54
63
62
64
1
35
34
32
33
31
30
28
29
26
27
21
20
22
23
+
+
A
A
To Microprocessor
INVERT
VOLUME
L
R
L
L
R
FRONT
CENTER
SURROUND
SUBWOOFER
L
R
L
R
LPF
DIGITAL IN
OPTICAL 3
OPTICAL 2
A
1
2
3
4
5
BCDEFGH

Other manuals for Onkyo TX-SR503

Related product manuals