EasyManua.ls Logo

Onkyo TX-SR503E - Page 22

Onkyo TX-SR503E
142 pages
Print Icon
To Next Page IconTo Next Page
To Next Page IconTo Next Page
To Previous Page IconTo Previous Page
To Previous Page IconTo Previous Page
Loading...
TX-SR503/503E/8350 TX-SR503/503E/8350
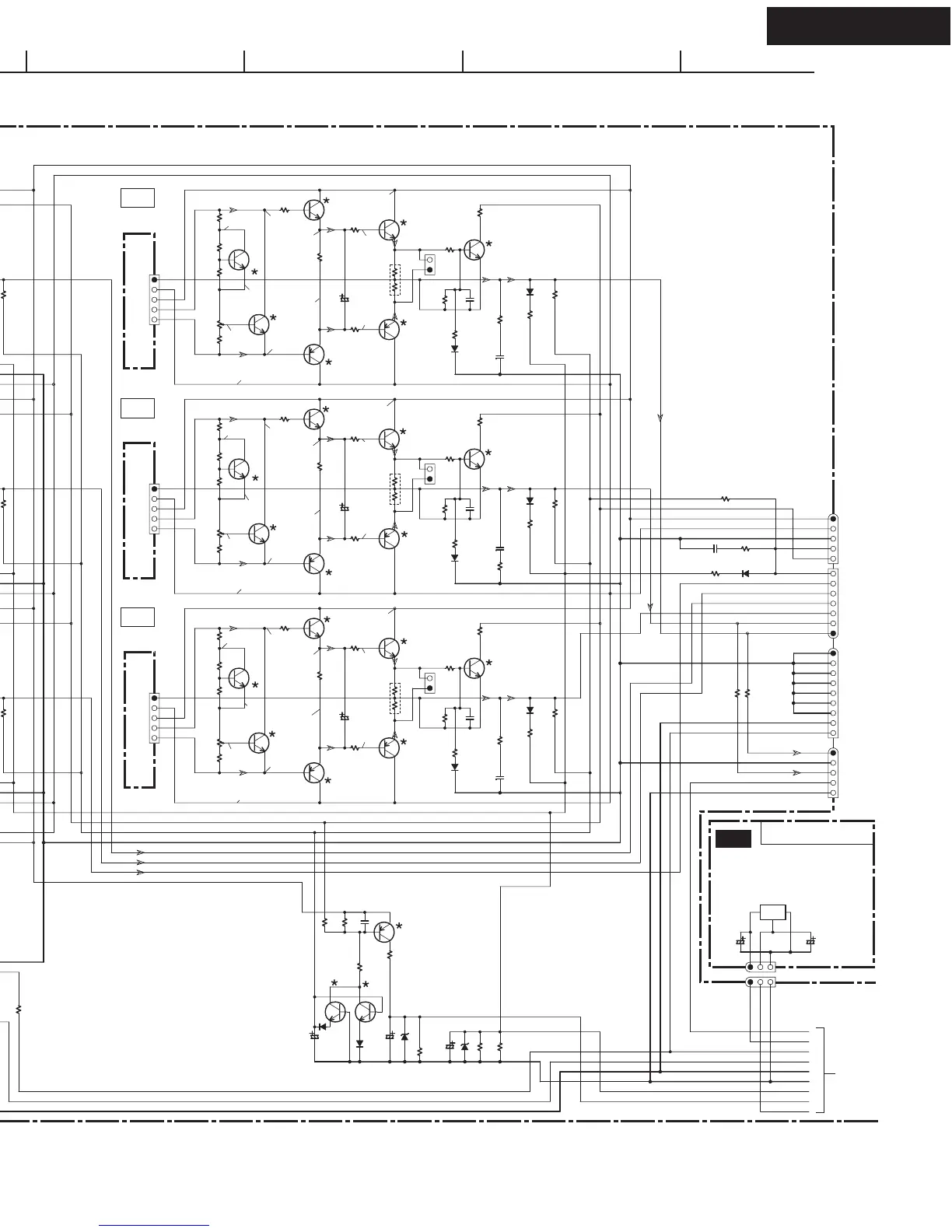
SCHEMATIC DIAGRAMS-4
POWER AMPLIFIER SECTION-2
JL6603A
TO NAETC
-8537
SRSPE
SLSPE
SBRSPE
SBLSPE
CSPE
RSPE
LSPE
Q6380
LM61CIZ
THERMAL SENSOR
G
O
V
JL6402B
JL6402A
JL6600A
TO NAETC
-8537
P6011A
(BUS BAR)
TO NAAF-8540
P6906
C6920
C6703
223Z
C6903
102J
P6000
NF
-B1
+B1
B+
B-
P6001
NF
-B1
+B1
B+
B-
P6002
NF
-B1
+B1
B+
B-
P6003
NF
-B1
+B1
B+
B-
P6004
NF
-B1
+B1
B+
B-
P6005
NF
-B1
+B1
B+
B-
D6704
MTZJ5.1B
DZ5.1BSB
D6703
MTZJ5.1B
DZ5.1BSB
D6905
D6904
JL891B
TO NAETC
-8516
JL6952A
TO NAPS-8524
JL6951A
NC
JL6200A
TO NAETC-8525
J011
J010
J011A
J010A
P997
P995
TO NAPS-8524
P996
F6901
F6902
RL6902
RL6901
P6081
ID+
ID-
P6082
ID+
ID-
P6080
ID+
ID-
P6083
ID+
ID-
P6084
ID+
ID-
P6085
ID+
ID-
Q6703
Q6041
Q6061
Q6042
Q6062
Q6040
Q6060
Q6043
Q6063
Q6044
Q6064
Q6045
Q6065
D6006
D6701
D6702
D6906
D6000
D6001
D6002
D6003
D6902
D6901
D6004
D6005
D6011
D6012
D6010
D6013
D6014
D6015
R6101
0.22 X2
(2W)
R6102
0.22 X2
(2W)
R6100
0.22
X2
(2W)
R6103
0.22 X2
(2W)
R6104
0.22 X2
(2W)
R6105
0.22 X2
(2W)
R6041
2K
R6042
2K
R6040
2K
R6043
2K
R6044
2K
R6045
2K
C6236
473J
C6905
334J 100V
C6904
334J 100V
C6907
104J
C6906
104J
C6231
473J
C6233
473J
C6230
473J
C6232
473J
C6234
473J
C6235
473J
C6051
NC
C6052
NC
C6050
NC
C6053
NC
C6054
NC
C6055
NC
C6380
NC
C6381
NC
C6706
100/16
C6701
100/16
C6901
C6902
C6704
1/100
C6041
47/50
C6042
47/50
C6040
47/50
C6043
47/50
C6044
47/50
C6045
47/50
R6751
390
(1/2W)
R6750
390
(1/2W)
R6902
1K
R6901
10
(1/2W)
R6176
47K
R6186
47K
R6236
8.2
(1W)
R6708
33K
R6702
10K
R6701
22K
R6704
47K
R6709
5.6K
R6710
33K
R6706
220K
R6180
47K
R6170
47K
R6181
47K
R6231
8.2
(1W)
R6171
47K
R6182
47K
R6172
47K
R6183
47K
R6233
8.2 (1W)
R6173
47K
R6230
8.2(1W)
R6232
8.2(1W)
R6184
47K
R6174
47K
R6234
8.2(1W)
R6185
47K
R6175
47K
R6235
8.2(1W)
R6031
470
R6001
5.6K
R6011
3.9K
R6071
82
(1/4W)
R6051
3.3K
R6161
33K
R6151
12K
R6021 2.2
(1/4W)
R6081
0.22
(1/4W)
R6091
0.22
(1/4W)
R6191
220K
R6141
22K
R6032
470
R6002
5.6K
R6012
3.9K
R6072
82
(1/4W)
R6052
3.3K
R6162
33K
R6152
12K
R6022 2.2
(1/4W)
R6082
2.2
(1/4W)
R6092
2.2
(1/4W)
R6192
220K
R6142
22K
R6030
470
R6000
5.6K
R6010
3.9K
R6070
82
(1/4W)
R6050
3.3K
R6160
33K
R6150
12K
R6020 2.2
(1/4W)
R6080
0.22
(1/4W)
R6090
0.22
(1/4W)
R6190
220K
R6140
22K
R6033
470
R6003
5.6K
R6013
3.9K
R6073
120
(1/4W)
R6053
3.3K
R6163
33K
R6153
12K
R6023 2.2
(1/4W)
R6083
0.22
(1/4W)
R6093
0.22
(1/4W)
R6193
220K
R6143
22K
R6034
470
R6004
5.6K
R6014
3.9K
R6074
120
(1/4W)
R6054
3.3K
R6164
33K
R6154
12K
R6024 2.2
(1/4W)
R6084
0.22
(1/4W)
R6094
0.22
(1/4W)
R6194
220K
R6144
22K
R6035
470
R6005
5.6K
R6015
3.9K
R6075
220
(1/4W)
R6055
3.3K
R6165
33K
R6155
12K
R6025 2.2
(1/4W)
R6085
0.22
(1/4W)
R6095
0.22
(1/4W)
R6195
220K
R6145
22K
Q6901
Q6702
Q6701
Q6011
Q6021
Q6031
Q6071
Q6051
Q6012
Q6022
Q6032
Q6072
Q6052
Q6010
Q6020
Q6030
Q6070
Q6050
Q6013
Q6023
Q6033
Q6073
Q6053
Q6014
Q6024
Q6034
Q6074
Q6054
Q6015
Q6025
Q6035
Q6075
Q6055
-0.3V
1.0V
1.1V
0.6V
-0.6V
-0.4V
-1.1V
-53.0V
-0.6V
0.6V
53.0V
-0.3V
1.0V
1.1V
0.6V
-0.6V
-0.4V
-1.1V
-53.0V
-0.6V
0.6V
53.0V
-0.3V
1.0V
1.1V
0.6V
-0.6V
-0.4V
-1.1V
-53.0V
-0.6V
0.6V
53.0V
-0.3V
1.0V
1.1V
0.6V
-0.6V
-0.4V
-1.1V
-53.0V
-0.6V
0.6V
53.0V
-0.3V
1.0V
1.1V
0.6V
-0.6V
-0.4V
-1.1V
-53.0V
-0.6V
0.6V
53.0V
-0.3V
1.0V
1.1V
0.6V
-0.6V
-0.4V
-1.1V
-53.0V
-0.6V
0.6V
53.0V
+B1
-B1
E
SBRSP
IPRO
SBRSP
SBLSP
SRSP
SLSP
CSP
RSP
LSP
RLGND
+24V
HPL
HPR
HPDET
5V
+24V
SEC1H
RLGND
MPUGND
VOLH
PRO
THRM
NAAF-8523
NAETC-8526
U05
AMPLIFIER PC BOARD (2/2)
U08
THERMAL SENSOR
PC BOARD
TO NAAF-8523 (1/2)
THE COMPONENTS IDENTIFIED BY MARK ARE CRITICAL FOR SAFETY
REPLACE ONLY WITH PART NUMBER SPECIFIED.
VOLTAGE (MEASURED WITH VOLTMETER) IS DC VOLTAGE.(NO INPUT SIGNAL).
ALL PNP TRANSISTORS ARE EQUIVALENT TO 2SA1015-GR UNLESS OTHERWISE NOTED.
ALL NPN TRANSISTORS ARE EQUIVALENT TO 2SC1815-GR UNLESS OTHERWISE NOTED.
ALL DIODES ARE EQUIVALENT TO 1SS133 UNLESS OTHERWISE NOTED.
ELECTROLYTIC CAPACITORS ( ) ARE IN uF/WV.
ALL CAPACITORS ARE IN pF/50WV UNLESS OTHERWISE NOTED.
EX) 030- 3pF 330- 33pF 331- 330pF 333- 0.033uF
ALL RESISTORS ARE IN OHMS 1/4WATTS UNLESS OTHERWISE NOTED.
THE THICK LINES ON PC BOARD ARE THE PRINTING SIDE OF THE PARTS.
EX) PRINTING SIDE
CIRCUIT IS SUBJECT TO CHANGE FOR IMPROVEMENT.
!
NOTE
<Note>
NC=No mount of parts.
TO NAAF-8540
TO NAAF-8540
TO NAAF-8540
TO NAAF-8540
TO NAAF-8540
TO NAAF-8540
FL
FR
C
SL
SR
SBL
Refer to following table about the parts displayed by mark " ".
Transistors
IDLING
ADJ.
IDLING
ADJ.
IDLING
ADJ.
IDLING
ADJ.
IDLING
ADJ.
IDLING
ADJ.
CIRCUIT NO.
Q6010 - 6015
DESCRIPTION
2SC1740S-S
Q6020 - 6025
2SC1740S-S
Q6030 - 6032 2SC5171, 2SC5993-Q, P
Q6040 - 6042
2SA1930, 2SA2140-Q, P
2SA1930, KTB1369-Y
Q6070 - 6075
2SC2240-GR, BL
Q6701, 6702 2SC2240-GR, BL, KTC3200-GR, BL
Q6703
Q6901
KTA1268-BL, GR, 2SA992-E, F
2SA1123-R
KTC3199-GR, 2SC2458-GR,
2SC1740S-R, S
Q6060 - 6062
Q6063 - 6065
Q6033 - 6035
2SC5171, KTD2061-Y
Q6043 - 6045
Q6050 - 6052
Q6053 - 6055
NC
NC
10A /125V
10A /125V
8200/63
8200/63
D6904, 6905 : D10XB60H
2SC5198-O, R
KTC5242A-O, R, MN130S-Y, O, P
2SA1941-O, P
KTA1962A-O, R, MP130S-Y, O, P
!
!
A
1
2
3
4
5
BCDEFGH

Other manuals for Onkyo TX-SR503E

Related product manuals