EasyManua.ls Logo

Onkyo TX-SR505E - Connecting a VCR or DVD Recorder for Playback

Onkyo TX-SR505E
88 pages
Print Icon
To Next Page IconTo Next Page
To Next Page IconTo Next Page
To Previous Page IconTo Previous Page
To Previous Page IconTo Previous Page
Loading...
28
Connecting Your Components
—Continued
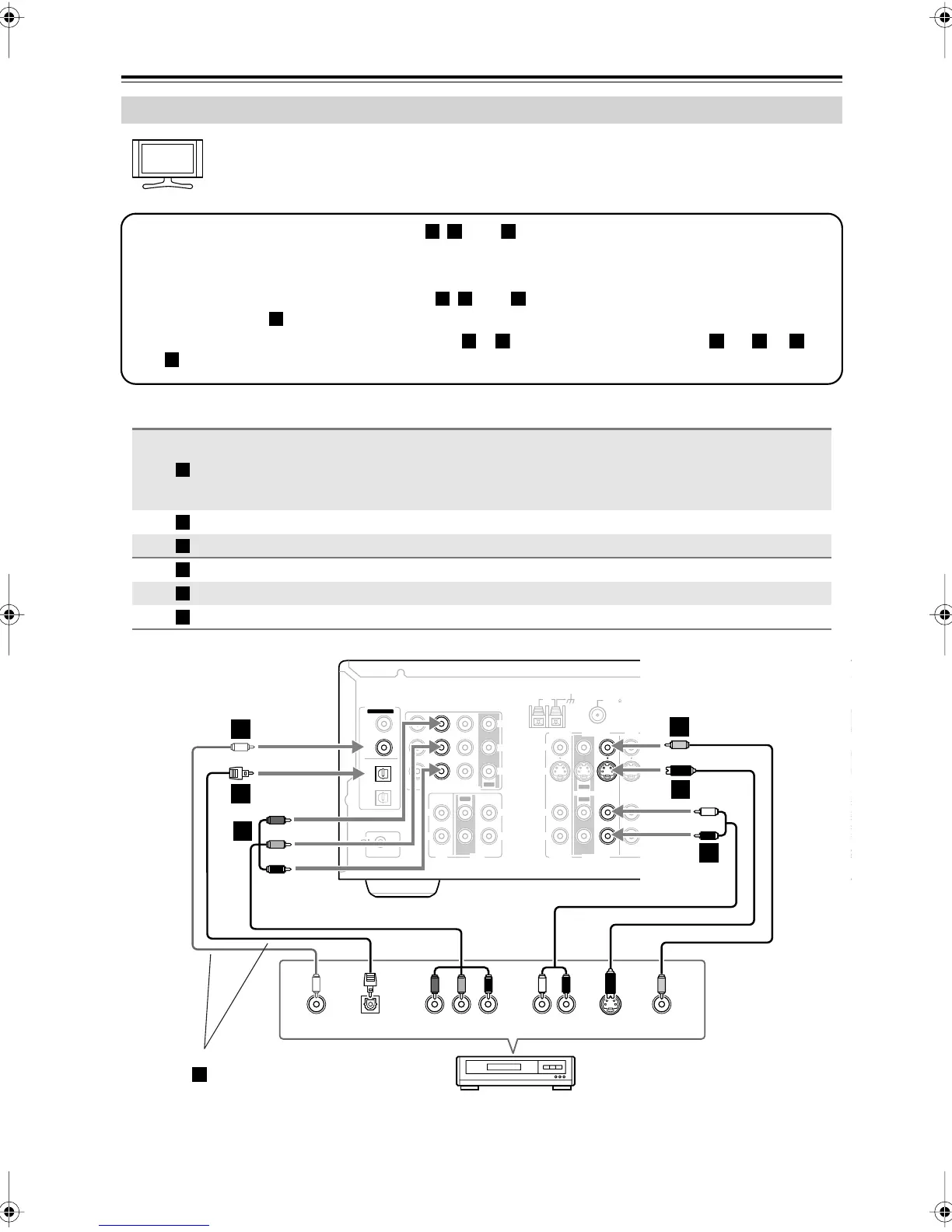
With this hookup, you can use your VCR’s tuner to listen to your favorite TV programs via the AV
receiver, useful if your TV has no audio outputs.
Connecting a VCR or DVD Recorder for Playback
Connection AV receiver Signal flow VCR or DVD recorder Picture quality
COMPONENT VIDEO VCR/DVR IN
(TX-SR505/TX-SR505E/TX-SR8550)
or
COMPONENT VIDEO IN 2
(TX-SR575)
Component video output
Best
VCR/DVR IN S
S-Video output Better
VCR/DVR IN V
Composite video output
Standard
VCR/DVR IN L/R
Analog audio L/R output
DIGITAL IN COAXIAL 2
Digital coaxial output
DIGITAL IN OPTICAL 1
Digital optical output
Hint!
Step 1: Choose a video connection from , , and .
TX-SR505/TX-SR505E/TX-SR8550: You must connect the AV receiver to your TV via the same type of con-
nection.
Step 2: Choose an audio connection from , , and .
•With connection , you can listen to the VCR or DVD recorder even via speaker set B.
•To enjoy Dolby Digital and DTS, use connection or . (To listen via speaker set B, use and , or and
.)
A B
C
a b c
a
b
c
a b a
c
A
B
C
a
b
c
OUT
OUT
CBL/SAT IN
IN IN IN
IN
IN
IN IN
VCR/DVR IN
DVD IN
OUT
COMPONENT VIDEO
Y
C
B/PB
CR/PR
L
R
ANTENNA
FM
AM
75
SUB
WOOFER
FRONT
SURROUND
SURR BACK
CENTER
CD
RR
LL
TAPE
OUT
XM
SIRIUS
CBL/SAT
CBL/SAT
VCR/DVR
VCR/DVR
DVD
DVD
R
L
R
L
S
V
R
L
MONITOR
OUT
S
V
PRE OUT
SUB
WOOFER
FRO
N
SPEAK
E
SURROUND BACK
SPEAKERS
SURROUND
SPEAKERS
FRONT
SPEAKERS A
REMOTE
CONTROL
ASSIGNABLE
COAX-
IAL
OPTICAL
1
(DVD)
2
(CBL/SAT)
1
(VCR/DVR)
2
(CD)
DIGITAL IN
YCOAXIAL
OUT
PB
COMPONENT VIDEO OUT
P
R S VIDEO
OUT
AUDIO
OUT
VIDEO
OUT
LR
OPTICAL
OUT
b
c
A
B
C
B
a
C
VCR,
DVD recorder
Connect one or the other
Connection must be assigned (see page 39)
b
TX-SR505En.book Page 28 Tuesday, January 30, 2007 11:53 AM

Table of Contents

Other manuals for Onkyo TX-SR505E

Related product manuals