EasyManua.ls Logo

OnRobot VGC10 - Hex-E;H Qc

OnRobot VGC10
282 pages
Print Icon
To Next Page IconTo Next Page
To Next Page IconTo Next Page
To Previous Page IconTo Previous Page
To Previous Page IconTo Previous Page
Loading...
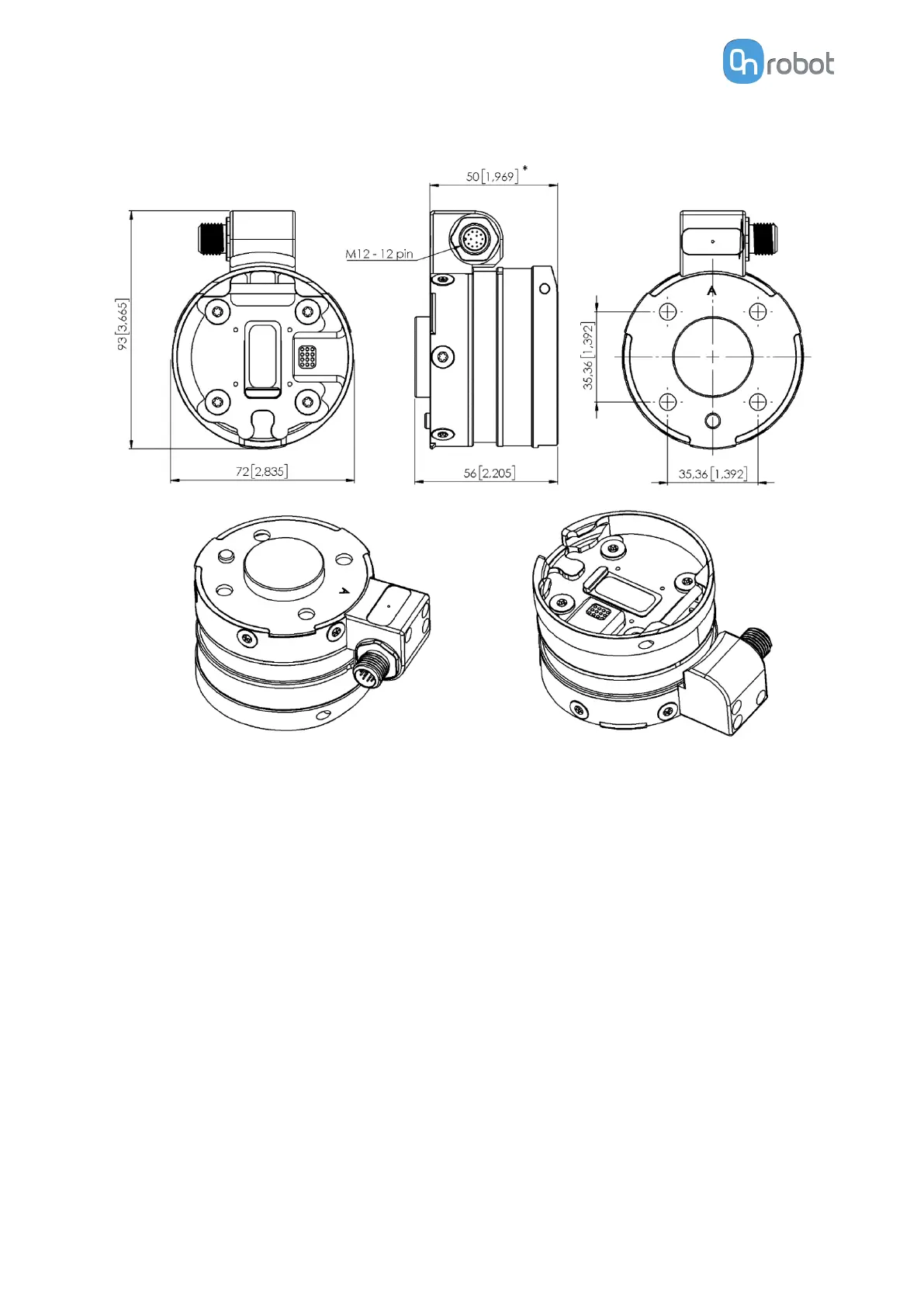
8.2.3.4. HEX-E/H QC
* Distance from Robot flange interface to OnRobot tool
All dimensions are in mm and [inches].
HARDWARE SPECIFICATION
234

Table of Contents

Other manuals for OnRobot VGC10

Related product manuals