EasyManua.ls Logo

OnRobot VGC10 - Quick Changer - Tool Side; Compute Box; Cog, Tcp

OnRobot VGC10
282 pages
Print Icon
To Next Page IconTo Next Page
To Next Page IconTo Next Page
To Previous Page IconTo Previous Page
To Previous Page IconTo Previous Page
Loading...
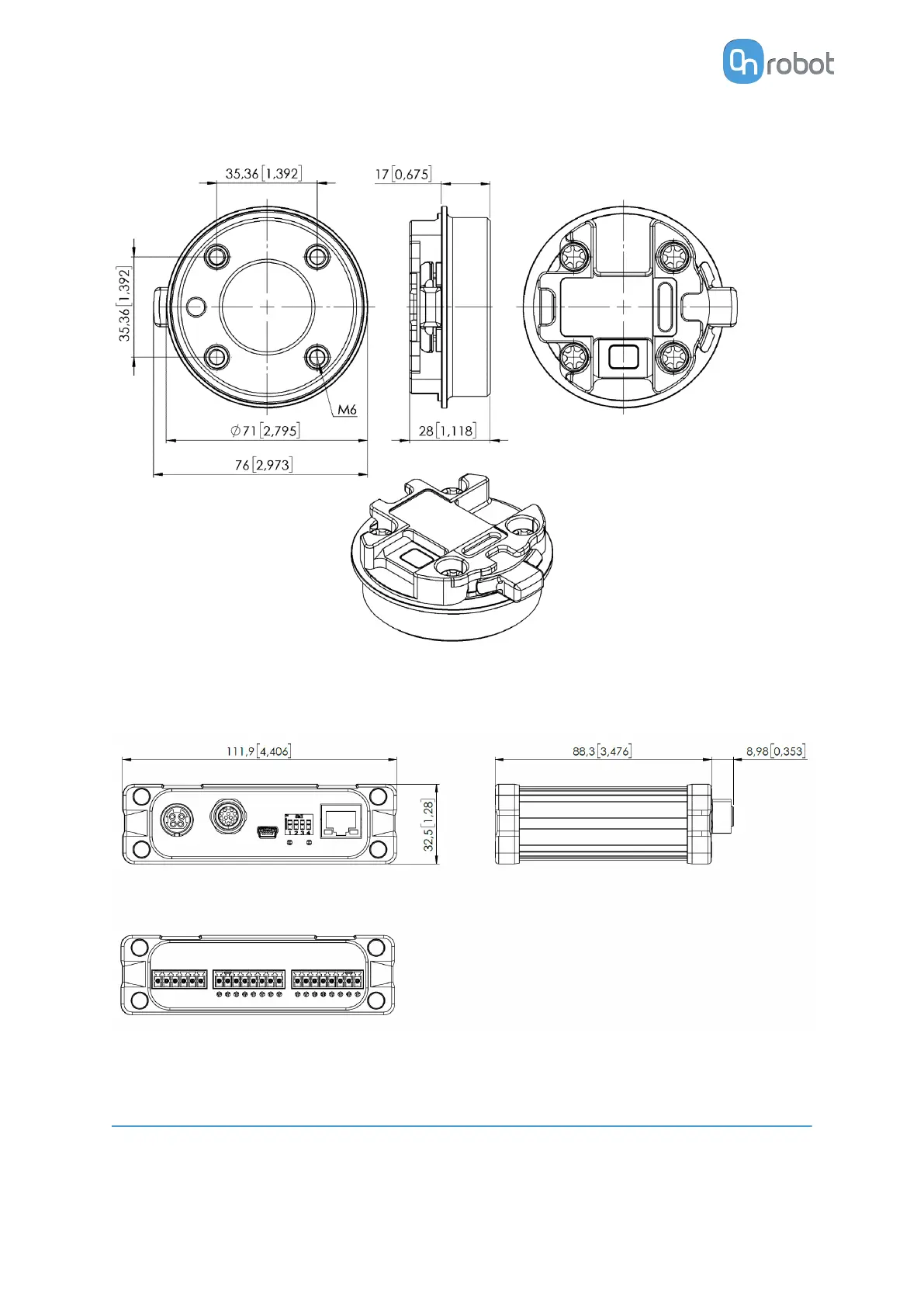
8.2.4.9. Quick Changer - Tool Side
All dimensions are in mm and [inches].
8.2.4.10. Compute Box
All dimensions are in mm and [inches].
8.3. COG, TCP
COG, TCP, and weight parameters of the single devices (without any mounting/adapter):
HARDWARE SPECIFICATION
246

Table of Contents

Other manuals for OnRobot VGC10

Related product manuals