EasyManua.ls Logo

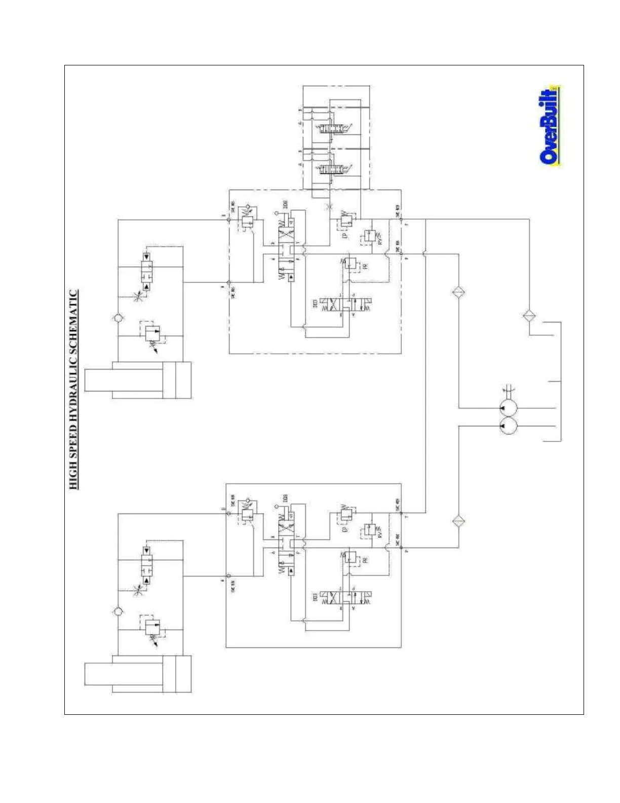
OverBuilt 10 - High Speed Hydraulic Schematic

OverBuilt 10
52 pages
Print Icon
To Next Page IconTo Next Page
To Next Page IconTo Next Page
To Previous Page IconTo Previous Page
To Previous Page IconTo Previous Page
Loading...
12

Related product manuals