EasyManua.ls Logo

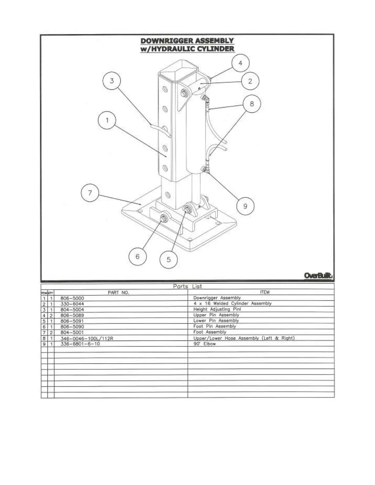
OverBuilt 10 - Hydraulic Downrigger Assembly

OverBuilt 10
52 pages
Print Icon
To Next Page IconTo Next Page
To Next Page IconTo Next Page
To Previous Page IconTo Previous Page
To Previous Page IconTo Previous Page
Loading...
30

Related product manuals