EasyManua.ls Logo

Owon PC321-TY - Installation Guide; Installation Safety Warnings; 3-Phase Wiring Diagram

Owon PC321-TY
15 pages
Print Icon
To Next Page IconTo Next Page
To Next Page IconTo Next Page
To Previous Page IconTo Previous Page
To Previous Page IconTo Previous Page
Loading...
7
3
Installaion
Important safety information!
• The power clamp must be installed and serviced only by a quali󽗉ed
electrical personnel.
• Do not touch the terminals of the device during testing.
• Turn o󽗈 all the power supply for this equipment before installing.
• Make sure that the power supply is off before connecting or
disconnecting it to an auxiliary device.
• Always use a properly rated voltage sensing device to con󽗉rm power
is o󽗈.
• Replace all devices, doors and covers before applying power to the
equipment.
Failure to follow these instructions will result in death or serious
injury.
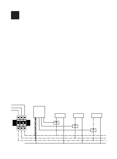
Get started:
Please make sure the main power in your facility is off before
installing. Follow the schematics below as an example to wire the
Power Clamp for di󽗈erent phase.
N
Red/L1
Green/L2
Brown/L3
White/N
PC321
Load1
L1
N
Load2
L2
N
Load3
L3
N
L1/AL2/B
L3/C
L3/C
L2/B
L1/A
Circuit
Breaker
3 Phase electricity wiring diagram

Related product manuals