EasyManua.ls Logo

PAC AP4-TY12 - Page 8

PAC AP4-TY12
15 pages
Print Icon
To Next Page IconTo Next Page
To Next Page IconTo Next Page
To Previous Page IconTo Previous Page
To Previous Page IconTo Previous Page
Loading...
© 2017 AAMP Global. All rights reserved. PAC is a Power Brand of AAMP Global.
PAC-audio.com
P ifi A C ti
Page 3
Rev. 122017
Lexus / Toyota Amp PRO
Retention of SOS
(Safety Connect / Lexus Enform)
Technical Bulletin
Note:,QVRPHYHKLFOHVWKHUHZLOOEHPXOWLSOHVSHDNHUVRQWKHIURQWULJKWRXWSXWRIWKHIDFWRU\DPSOL¿HU
ZLWKRQO\RQHVSHDNHUSDVVLQJWKH626DXGLR,IWKDWLVWKHFDVHLWLVLPSRUWDQWWRXVHWKHH[DFWVSHDNHU
RXWSXWRIWKHIDFWRU\DPSWKDWFRUUHVSRQGVWRWKHVSHDNHUSOD\LQJWKH626DXGLRWRFRQQHFWWRWKHIURQW
ULJKWVSHDNHURXWSXWRIWKHDIWHUPDUNHWDPSOL¿HU,IWKHIURQWULJKWGDVKVSHDNHULVWKHRQO\VSHDNHUSOD\LQJ
WKH626DXGLRDQGQRZRQO\WKHGRRUVSHDNHUVDUHJRLQJWREHXVHGLWZRXOGEHQHFHVVDU\WRUXQWKH
DIWHUPDUNHWDPSOL¿HUVIURQWULJKWRXWSXWWRWKHIURQWULJKWGDVKVSHDNHUZLUHVWKHQXVHWKHIURQWULJKW
VSHDNHURXWSXWIURPWKH6DIHW\&RQQHFW0RGXOHWRFRQQHFWWRWKHGRRUVSHDNHUWKDWQHHGVWREHSRZHUHG
E\WKHDIWHUPDUNHWDPSOL¿HU0HWKRGFDQEHVXEVWLWXWHGIRUHDVHRI626UHWHQWLRQLIGHVLUHG5HIHUWRWKH
9HKLFOH&RQQHFWLRQVVHFWLRQRQSDJHIRUYHKLFOHVSHFL¿FLQIRUPDWLRQ
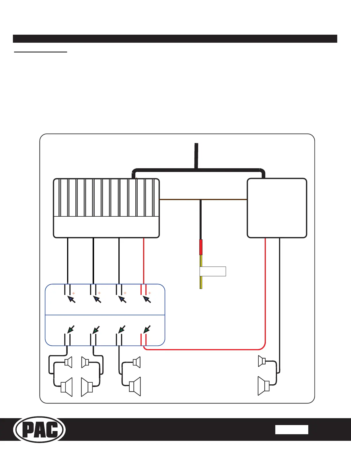
Factory Amplifier
Amp Inputs
Connect Yellow / Black
“Mute Input From Telematics”
to the SOS Mute Trigger
Safety
Connect
Module
Wires from Radio
Left Rear
Speaker Outputs
Right Rear
Speaker Outputs
Left Front
Speaker Outputs
Right Front
Speaker Outputs
+
+
+
____
+
_
+++
___
*
Cut and Insulate Speaker Wires to Amp
Wire to Aftermarket Amp Speaker Outputs
Mute Input From
dĞůĞŵĂƟĐƐ
SOS Mute
Trigger
Telematics Inputs
Rear Speakers
Front Left
Speakers
Front Right
Speakers
Front Right Speaker Amp Out
Input to Telematics
Front Right Speaker Telematics
Output to Front Right Speaker
(already wired from factory)
* Ima
g
e is zoomed in to show the individual
p
ositive and ne
g
ative s
p
eaker wires
)LJ
0HWKRGFRQW:

Related product manuals