EasyManua.ls Logo

Panasonic AK-HC3500ES - Page 23

Panasonic AK-HC3500ES
44 pages
Print Icon
To Next Page IconTo Next Page
To Next Page IconTo Next Page
To Previous Page IconTo Previous Page
To Previous Page IconTo Previous Page
Loading...
23
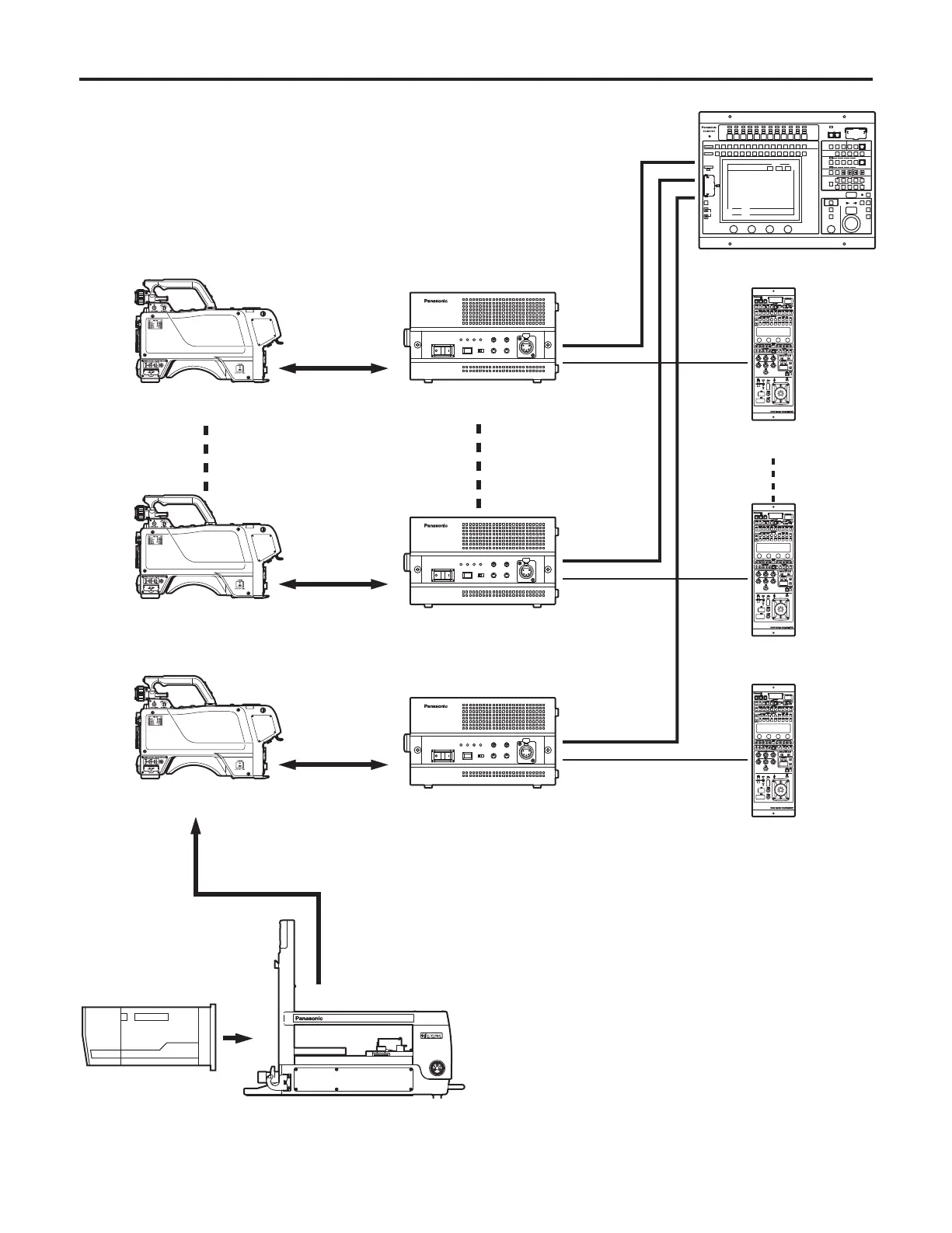
System connections 3 (with MSU)
Large lens
Multi-Format Camera 1
AK-HC3500
Master Setup Unit
AK-MSU935
Remote Operation Panel 1
AK-HRP931/AK-HRP935
Camera Control Unit 1
AK-HCU3550
Multi-Format Camera 11
AK-HC3500
Multi-Format Camera 12
AK-HC3500
Camera Control Unit 11
AK-HCU3550
Camera Control Unit 12
AK-HCU3550
Remote Operation Panel 11
AK-HRP931/AK-HRP935
Remote Operation Panel 12
AK-HRP931/AK-HRP935
Buildup Unit
AK-HBU3500
Optical cable
Optical cable
Optical cable
A multiple number of cameras (up to 12 units) can be controlled in one location using the MSU.
The camer
as can be controlled by both the ROPs and MSU.

Related product manuals