EasyManua.ls Logo

Panasonic CQ-C1001W1 - 9 BLOCK DIAGRAM

Panasonic CQ-C1001W1
28 pages
To Next Page IconTo Next Page
To Next Page IconTo Next Page
To Previous Page IconTo Previous Page
To Previous Page IconTo Previous Page
Loading...
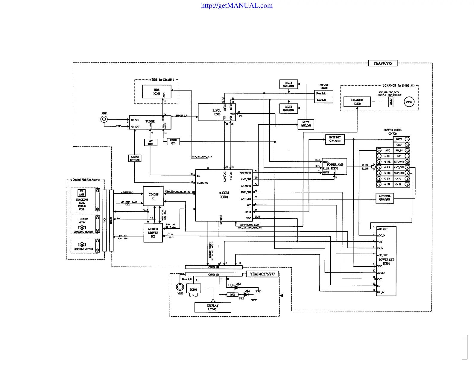
9 BLOCK DIAGRAM
5
CQ-C1001W1
http://getMANUAL.com

Related product manuals