EasyManua.ls Logo

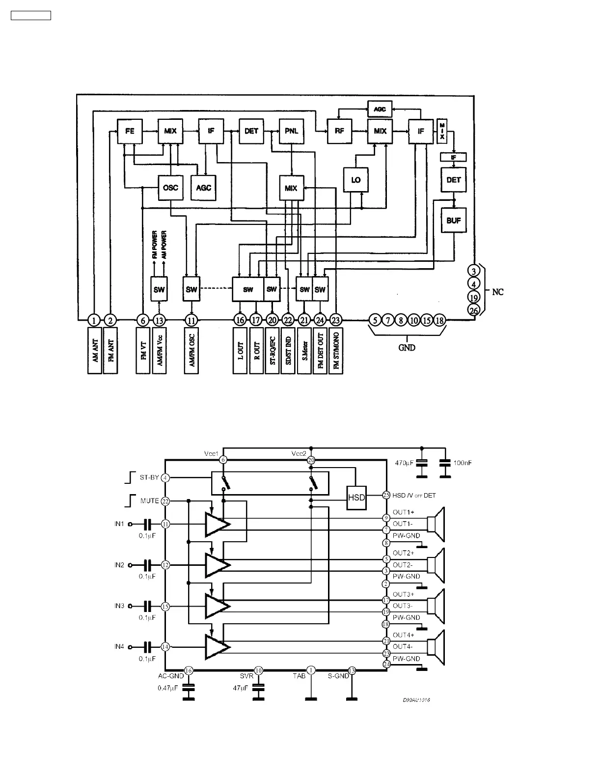
Panasonic CQ-C1001W1 - 11 PACKAGE AND IC BLOCK DIAGRAM; 11.1. Main Block

Panasonic CQ-C1001W1
28 pages
To Next Page IconTo Next Page
To Next Page IconTo Next Page
To Previous Page IconTo Previous Page
To Previous Page IconTo Previous Page
Loading...
11.1. Main Block
11 PACKAGE AND IC BLOCK DIAGRAM
P50:FAE391-E10
IC270 : C1EA00000042
8
CQ-C1001W1

Related product manuals