EasyManua.ls Logo

Panasonic CQ-C5305U

Panasonic CQ-C5305U
47 pages
To Next Page IconTo Next Page
To Next Page IconTo Next Page
To Previous Page IconTo Previous Page
To Previous Page IconTo Previous Page
Loading...
11
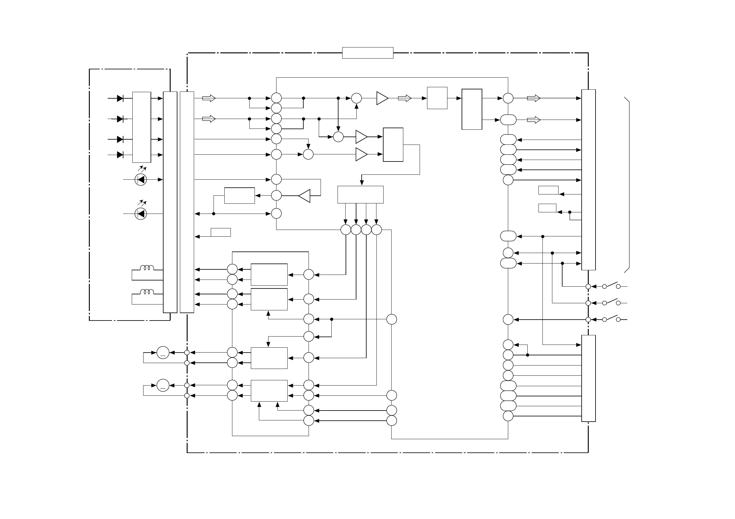
5.3. CD Servo Block
M
M
+
-
-
OPTICAL PICK-UP
80
79
78
77
75
76
81
7
9
3
2
11
4
1
82
69 67 60 62
3
14
2
3
9
2
27
26
24
20
28
27
26
28
5
13
12
11
18
17
16
15
15
16
13
14
CN102
A
B
E
F
PD
LD
FOCUS
COIL
FOCUS
COIL
DRIVE
TRACKING
COIL
DRIVE
SPINDLE
MOTOR
DRIVE
SLED
MOTOR
DRIVE
TRACKING
COIL
SPINDLE
MOTOR
SLED
MOTOR
LPD
LD
F-
F+
T-
T+
I-V
AMP
Q101
LD
DRIVE
3.3V
IC201
PICK-UP DRIVE
MUTE
MUTE
MUTE
RST
LD EJ
LD MT
CNT
2
19
17
9
8
120
128
1
107
10
126
118
116
117
2
1
3
119
121
12
9
1
4
5
6
7
11
13
REGON2
SRVMON0
SRVMON1
TCLK
TDO
DMODE
NPWDOWN
CN103
NRST
CQ-C5405U/C5305U CD DECK
RESET
SW1
SW2
SW2
SW1
CD RST
10
DC8V
9
DC8V
14
CD3.3V
4
CD MUTE
5
CD ON
6
CD SCK
7
CD SO
8
CD SI
101
18
Rch
97
15
Lch
3.3V
8V
To
MAIN
CN801
CN101
L
R
DAC
EFM
DEM
ADC
IC101
RF AMP,SERVO,DSP
FE
TE
3032-14-49
LD MON
SERVO
CTL
FOD
TRD
ECS
TVD

Other manuals for Panasonic CQ-C5305U

Related product manuals