EasyManua.ls Logo

Panasonic CS-A9MKD - Cs-A18 Mkd Cu-A18 Mkd Cs-A24 Mkd Cu-A24 Mkd Cs-A28 Mkd Cu-A28 Mkd

Panasonic CS-A9MKD
135 pages
Print Icon
To Next Page IconTo Next Page
To Next Page IconTo Next Page
To Previous Page IconTo Previous Page
To Previous Page IconTo Previous Page
Loading...
21
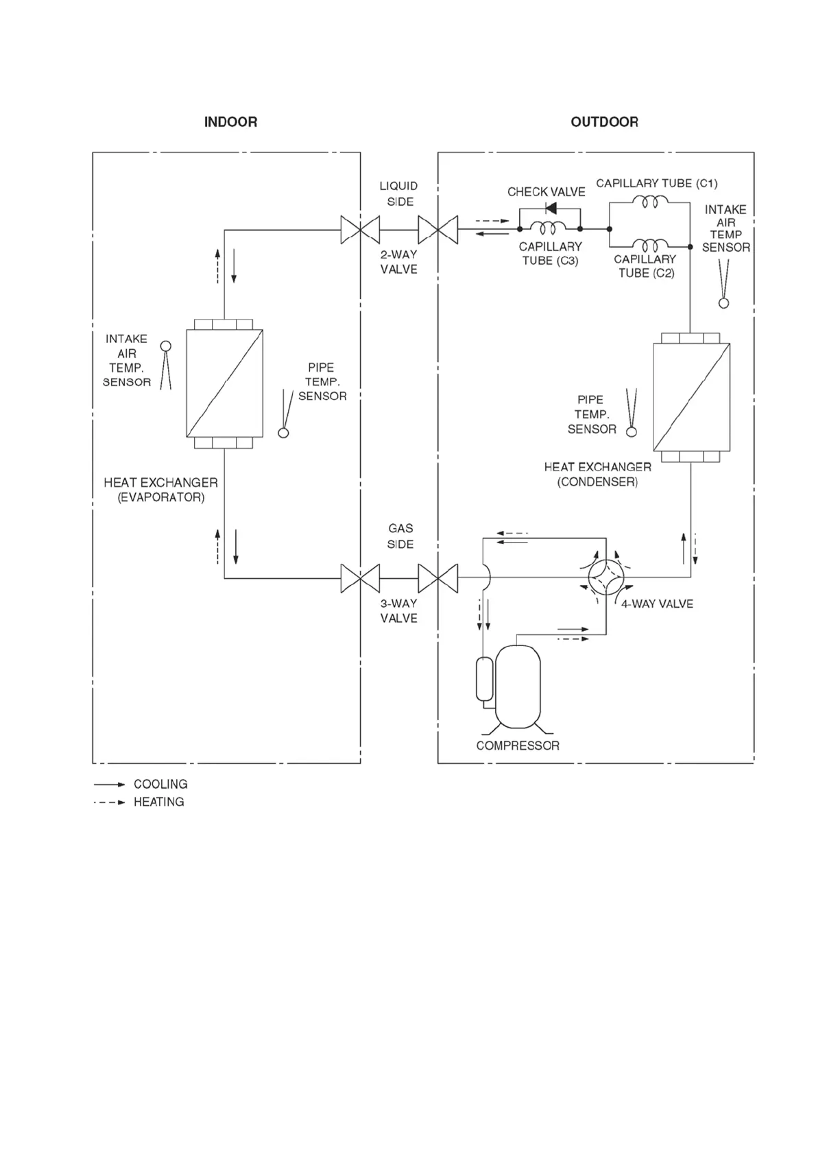
6.2 CS-A18MKD CU-A18MKD CS-A24MKD CU-A24MKD
CS-A28MKD CU-A28MKD

Table of Contents

Related product manuals