EasyManua.ls Logo

Panasonic CS-PC18HKF - Refrigeration Cycle Diagram

Panasonic CS-PC18HKF
61 pages
Print Icon
To Next Page IconTo Next Page
To Next Page IconTo Next Page
To Previous Page IconTo Previous Page
To Previous Page IconTo Previous Page
Loading...
14
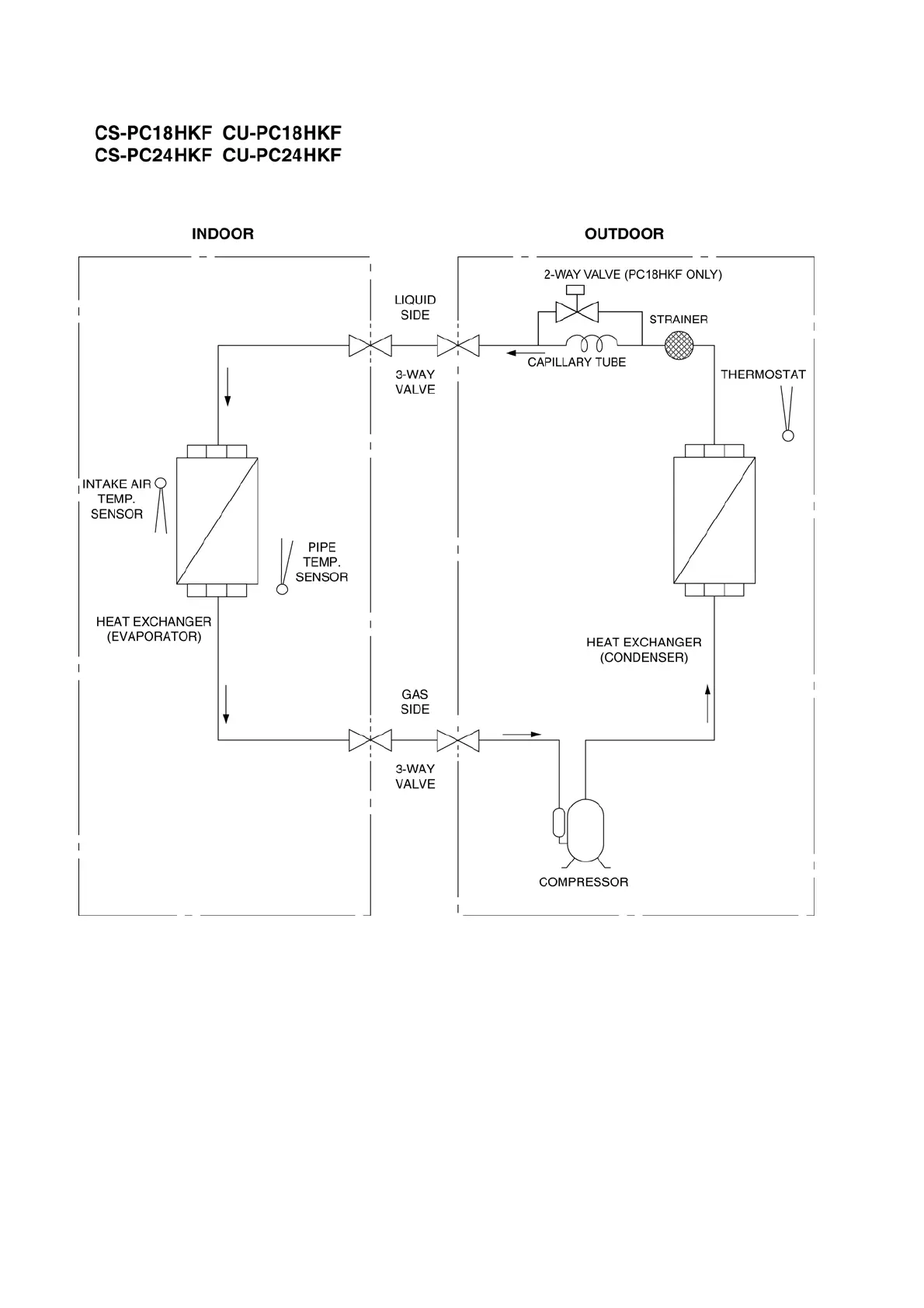
6 Refrigeration Cycle Diagram

Table of Contents

Related product manuals