EasyManua.ls Logo

Panasonic CS-RE12QKE

Panasonic CS-RE12QKE
104 pages
To Next Page IconTo Next Page
To Next Page IconTo Next Page
To Previous Page IconTo Previous Page
To Previous Page IconTo Previous Page
Loading...
21
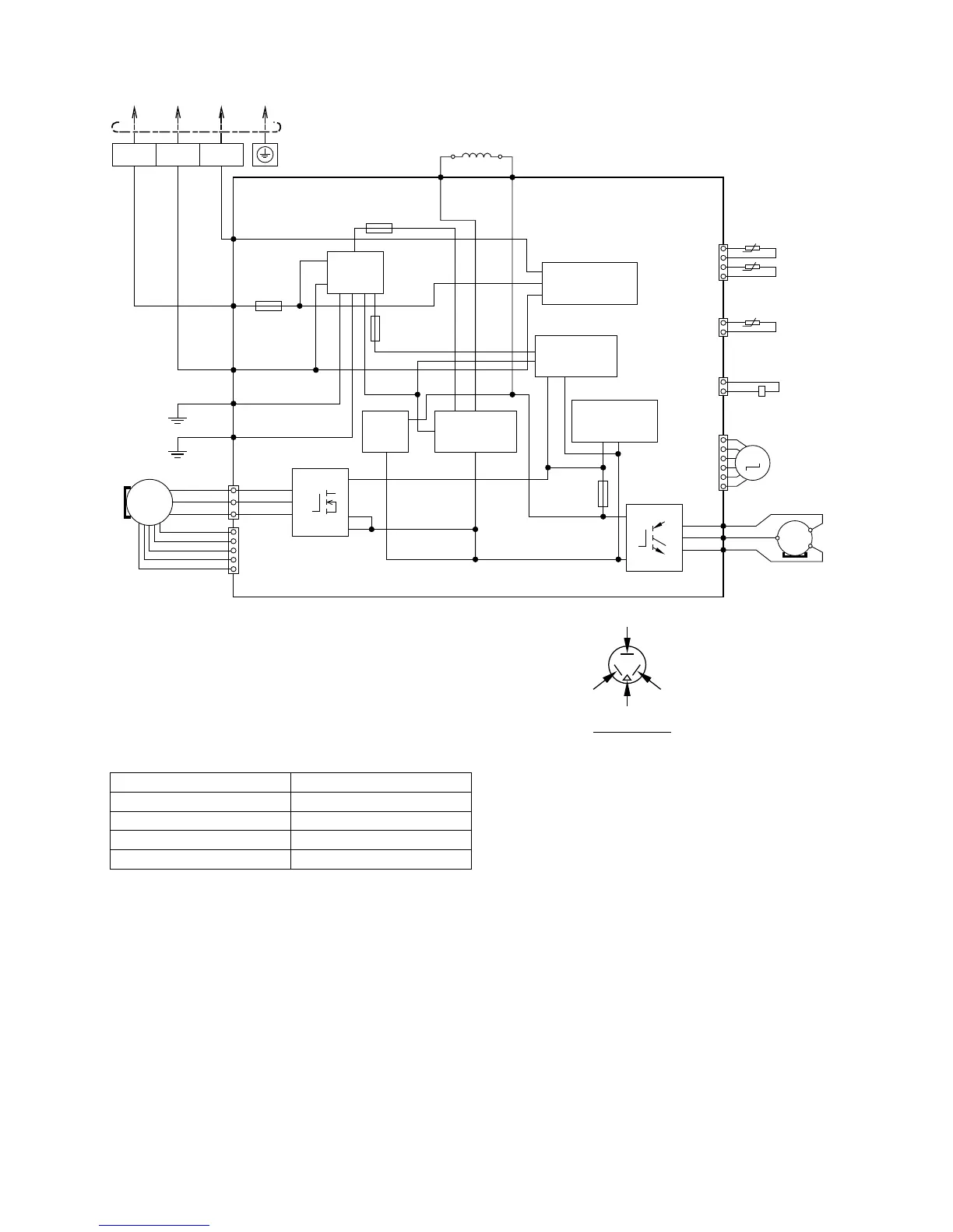
8.2.2 CU-RE12QKE CU-RE15QKE
TERMINAL
BOARD
TO INDOOR UNIT
COMPRESSOR
OUTDOOR AIR TEMP.
SENSOR
(THERMISTOR)
PIPING TEMP. SENSOR
(THERMISTOR)
1
4
t
0
t
0
AC-WHT
(WHT)
CN-MTR1
(WHT)
CN-MTR2
(WHT)
IC20
Q1
FG1
(GRN)
FG2
(GRN)
GRN
BLK
WHT
GRN
AC-BLK
(BLK)
DATA
(RED)
RED
GRY
RAT2
(GRY)
GRY
YLW
YLW
RAT1
(GRY)
REACTOR
RED
BLU
YLW
U (RED)
FUSE103
T3.15A L250V
V (BLU)
W (YLW)
U
V
W
3
5
5
1
10
14
16
1
COMP. TEMPERATURE
SENSOR (THERMISTOR)
1
3
CN-TANK
(WHT)
t
0
ELECTRO-MAGNETIC
COIL (4-WAYS VALVE)
1
3
CN-HOT
(WHT)
CN-TH
(WHT)
P
N
SWITCHING
POWER
SUPPLY CIRCUIT
FUSE102
T3.15A L250V
FUSE101
(20A 250V)
321
COMMUNICATION
CIRCUIT
PFC
CIRCUIT
W
U
V
FAN MOTOR
ELECTRONIC CONTROLLER
MS
3 ~
FUSE104
(15A 250V)
NOISE
FILTER
CIRCUIT
RECTIFICATION
CIRCUIT
RECTIFICATION
CIRCUIT
RED (RED)
TRADE MARK
BLUE (BLU)
YELLOW (YLW)
COMP. TERMINAL
ELECTRO-MAGNETIC
COIL
(EXPANSION VALVE)
CN-STM
(WHT)
1
6
M
REMARKS
BLACK: (BLK) RED: (RED)
WHITE: (WHT) BROWN: (BRW)
YELLOW: (YLW) GREEN: (GRN)
ORANGE: (ORG) GRAY: (GRY)
BLUE: (BLU) YELLOW/GREEN: (YLW/GRN)
MS
3 ~
Resistance of Compressor Windings
MODEL CU-RE12QKE/RE15QKE
CONNECTION 5RS102XNA21
U-V 1.211
U-W 1.211
V-W 1.211
Note: Resistance at 20°C of ambient temperature.

Table of Contents

Other manuals for Panasonic CS-RE12QKE

Related product manuals