EasyManua.ls Logo

Panasonic CS-RE12QKE

Panasonic CS-RE12QKE
104 pages
To Next Page IconTo Next Page
To Next Page IconTo Next Page
To Previous Page IconTo Previous Page
To Previous Page IconTo Previous Page
Loading...
23
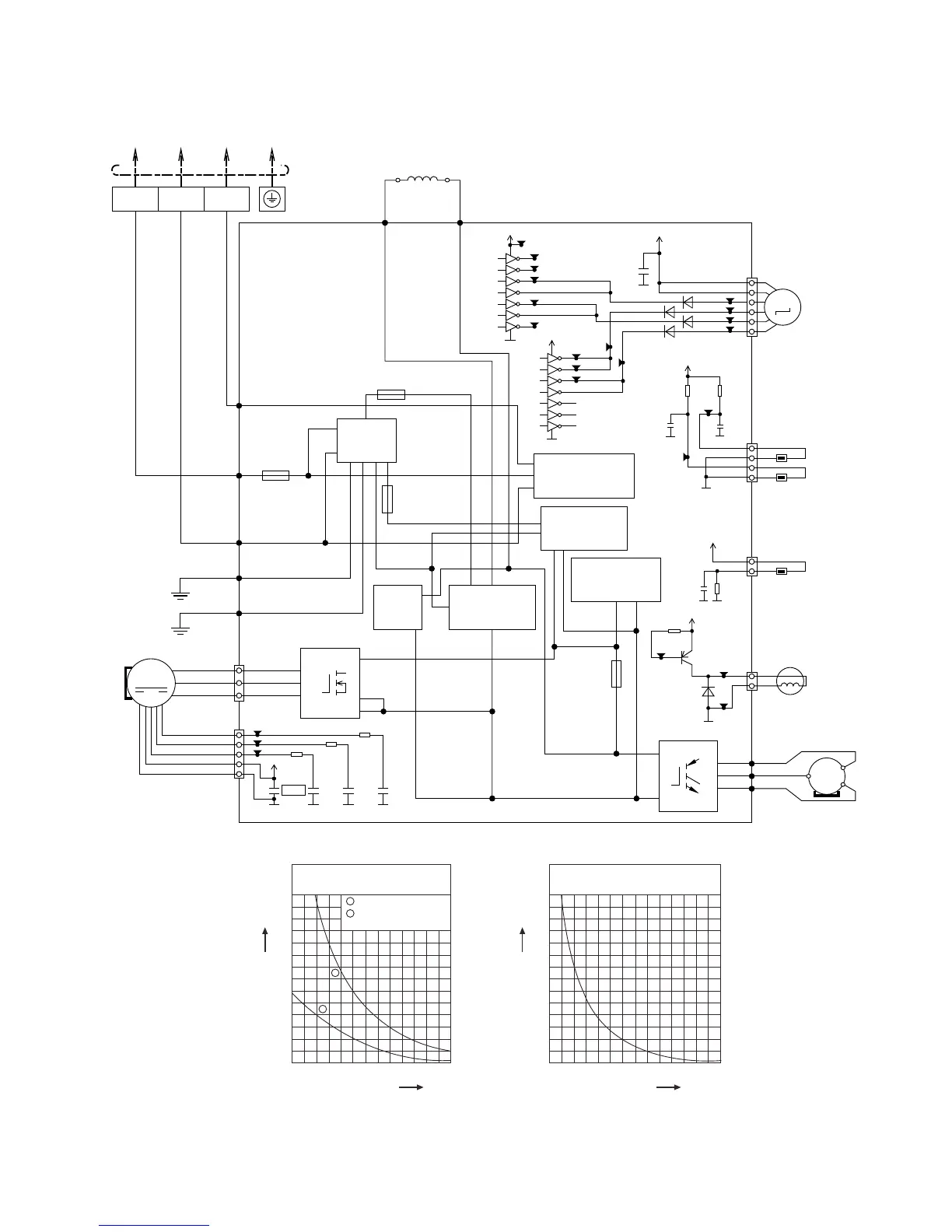
9.2 Outdoor Unit
9.2.1 CU-RE9QKE
Sensor (Thermistor)
Characteristics
70
60
50
40
30
20
10
0
-10 0 10
Temperature (
o
C)
Resistance (k)
20 30 40 50
1
2
1
2
Outdoor Air Sensor
Outdoor Heat Exchanger
Sensor
Compressor Temp. Sensor
(Thermistor) Characteristics
70
60
50
40
30
20
10
0
20 40 60
Temperature (
o
C)
Resistance (k)
80 100 120 140
126
156
155
134
144
443
263
264
269
444
445
447
459
556
TERMINAL
BOARD
TO INDOOR UNIT
COMPRESSOR
AC-WHT
(WHT)
CN-MTR1
CN-MTR2
(WHT)
IC19
FG1
(GRN)
FG2
(GRN)
GRN
BLK
WHT
GRN
AC-BLK
(BLK)
DATA
(RED)
RED
GRY
RAT2
(GRY)
GRY
RAT1
(GRY)
REACTOR
RED
BLU
YLW
(RED)
FUSE103
T3.15A L250V
(BLU)
(YLW)
U
V
W
3
5
5
4
3
2
1
10
14
16
1
P
N
SWITCHING
POWER
SUPPLY CIRCUIT
FUSE102
T3.15A L250V
FUSE101
(20A 250V)
3
(RED)
2
(WHITE)
S1
(BLACK)
COMMUNICATION
CIRCUIT
PFC
CIRCUIT
W
U
V
ELECTRONIC
CONTROLLER
MS
3 ~
FUSE104
(15A 250V)
NOISE
FILTER
CIRCUIT
RECTIFICATION
CIRCUIT
RECTIFICATION
CIRCUIT
M
TANK TEMP.
SENSOR (50k 3950)
1
3
CN-TANK WHITE
5V
G8
R1
4.99k
1%
G8
C3
10V
CN-TH WHITE
OUTDOOR TEMP.
SENSOR (15k 3950)
PIPE TEMP.
SENSOR1 (4.96k 3800
)
5V
1
2
3
4
G8
G8
G8
R12
15.0k
1%
R11
15.8k
1%
C7
10V
C6
10V
277
541
e
b
Q14
*C173
4V
5V
4-WAYS VALVE
1
3
D9
G2
CN-HOT
295
296
c
CN-STM
153
154
145
146
6
5
4
3
2
1
D60
D61
D62
D63
C190
0.1µ
25V
G2
13V
13V
1
2
3
4
5
6
7
16
9
8
15
14
13
12
11
10
IC12
GND
VCC
G2
13V
1
2
3
4
5
6
7
16
9
8
15
14
13
12
11
10
IC19
GND
VCC
G2
EXPANSION
VALVE
R156
1k
C176
0.01µ
50V
G5
R166
1k
C177
0.01µ
50V
G5
R167
1k
C175
0.01µ
50V
G5G5
+
Q1
FAN MOTOR
MS
172
R127

Table of Contents

Other manuals for Panasonic CS-RE12QKE

Related product manuals