EasyManua.ls Logo

Panasonic CS-TZ20WKEW

Panasonic CS-TZ20WKEW
233 pages
To Next Page IconTo Next Page
To Next Page IconTo Next Page
To Previous Page IconTo Previous Page
To Previous Page IconTo Previous Page
Loading...
44
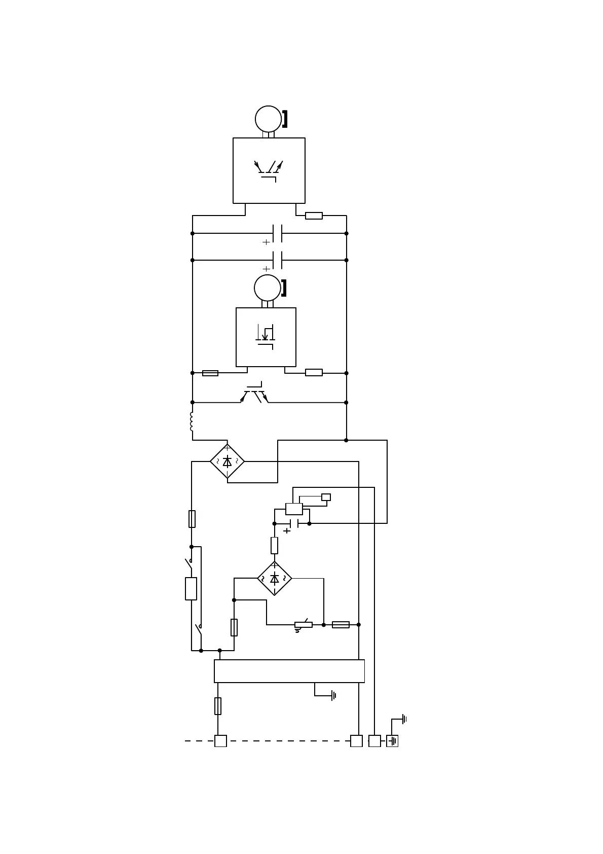
8.2 Outdoor Unit
8.2.1 CU-TZ20WKE CU-TZ25WKE CU-TZ35WKE CU-TZ42WKE
CU-RZ20WKE CU-RZ25WKE CU-RZ35WKE
RY-PWR
RY-AC
PT
C
PTC1
FUSE102
FUSE103
FUSE105
4-WAYS
VALVE
SC
NTC
TH1
NOISE FILTER
FUSE101
IC19
FUSE104
MS
3 ~
REACTOR
MS
3 ~
3
2
S1
(OUTDOOR UNIT)

Table of Contents

Other manuals for Panasonic CS-TZ20WKEW

Related product manuals