EasyManua.ls Logo

Panasonic CS-TZ20WKEW

Panasonic CS-TZ20WKEW
233 pages
To Next Page IconTo Next Page
To Next Page IconTo Next Page
To Previous Page IconTo Previous Page
To Previous Page IconTo Previous Page
Loading...
48
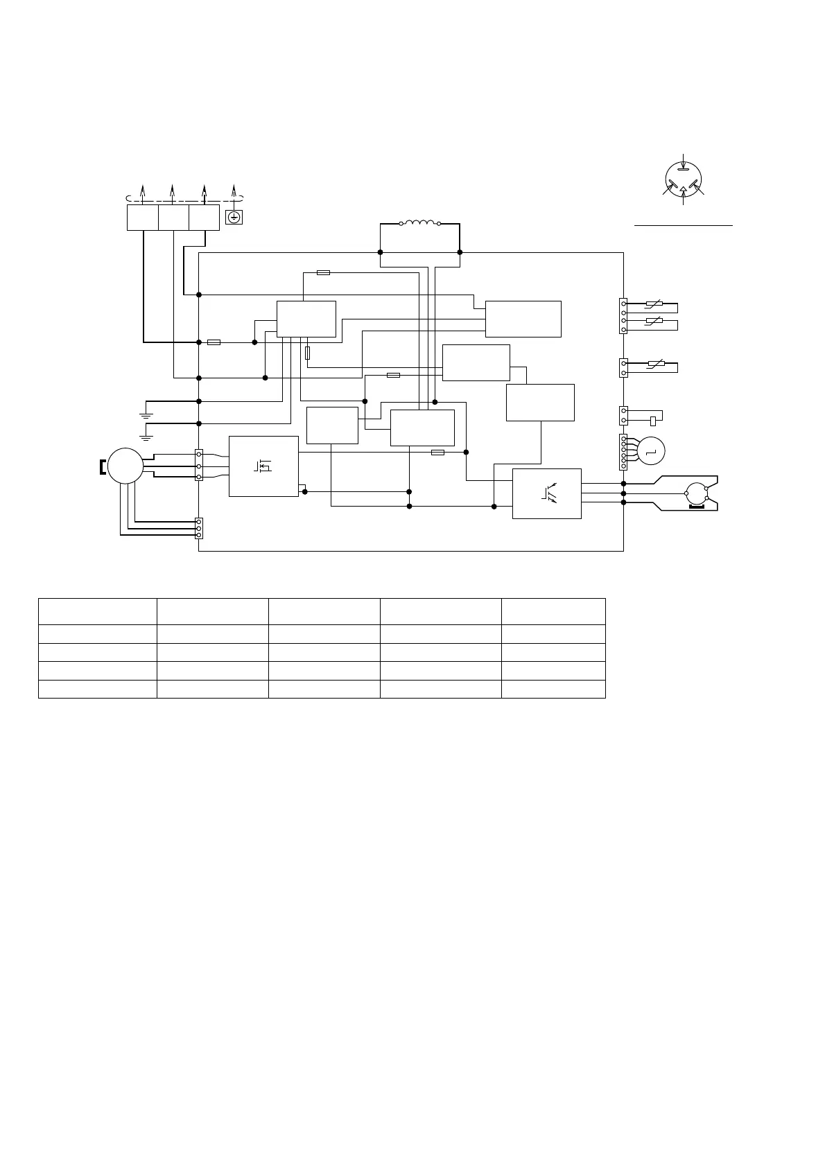
9.2 Outdoor Unit
9.2.1 CU-TZ20WKE CU-TZ25WKE CU-TZ35WKE CU-TZ42WKE
CU-RZ20WKE CU-RZ25WKE CU-RZ35WKE
Resistance of Compressor Windings
MODEL
CU-TZ20WKE /
CU-RZ20WKE
CU-TZ35WKE /
CU-RZ35WKE
CU-TZ25WKE /
CU-RZ25WKE
CU-TZ42WKE
CONNECTION 9GS064XAA21 () 9RS102XMA21 () 9GS075XAA21 () 9RS120XAA21 ()
U-V 2.993 1.780 2.993 1.211
U-W 2.993 1.780 2.993 1.211
V-W 2.993 1.780 2.993 1.211
Note: Resistance at 20°C of ambient temperature.
MS
3 ~
M
REACTOR
MS
3 ~
TO INDOOR UNIT
(WHT)
S1 2 3
GRN
GRN
BLK
WHT
RED
AC-WHT
AC-BLK
(BLK)
DATA
(RED)
FUSE101
(20A 250V)
FG 1
(GRN)
FG 2
(GRN)
CN-MTR1
(RED)
CN-MTR2
(WHT)
FAN MOTOR
3
5
1
1
3
ELECTRONIC CONTROLLER
GRY
RAT2
(GRY)
RAT1
(GRY)
GRY
TERMINAL
BOARD
OUTDOOR AIR TEMP.
SENSOR (THERMISTOR)
1
4
CN-TH
(WHT)
PIPING TEMP. SENSOR
(THERMISTOR)
1
3
CN-TANK
(WHT)
COMP. TEMPERATURE
SENSOR (THERMISTOR)
YLW
YLW
1
3
CN-HOT
(WHT)
ELECTRO-MAGNETIC
COIL (4-WAYS VALVE)
ELECTRO-MAGNETIC
COIL
(EXPANSION VALVE)
CN-STM
(WHT)
1
6
RED
BLU
YLW
U (RED)
V (BLU)
W (YLW)
COMPRESSOR
REMARKS
BLACK; (BLK)
WHITE; (WHT)
YELLOW; (YLW)
ORANGE; (ORG)
YELLOW/GREEN; (YLW/GRN)
BLUE; (BLU)
RED; (RED)
BROWN; (BRW)
GREEN; (GRN)
GRAY; (GRY)
COMPRESSOR TERMINAL
THE PARENTHESIZED LETTERS IS
INDICATED ON TERMINAL COVER.
RED (RED)
(TRADEMARK)
BLUE (BLU)
YELLOW (YEL)
U
V
W
P
N
Q1
W
U
V
NOISE FILTER
CIRCUIT
10
14
16
IC19
FUSE103
T3.15A L250V
FUSE104
T3.15A L250V
PFC
CIRCUIT
RECTIFICATION
CIRCUIT
SWITCHING
POWER SUPPLY
CIRCUIT
COMMUNICATION
CIRCUIT
RECTIFICATION
CIRCUIT
FUSE102
T3.15A L250V
FUSE105
(15A 250V)

Table of Contents

Other manuals for Panasonic CS-TZ20WKEW

Related product manuals