EasyManua.ls Logo

Panasonic CS-TZ71ZKEW

Panasonic CS-TZ71ZKEW
235 pages
To Next Page IconTo Next Page
To Next Page IconTo Next Page
To Previous Page IconTo Previous Page
To Previous Page IconTo Previous Page
Loading...
44
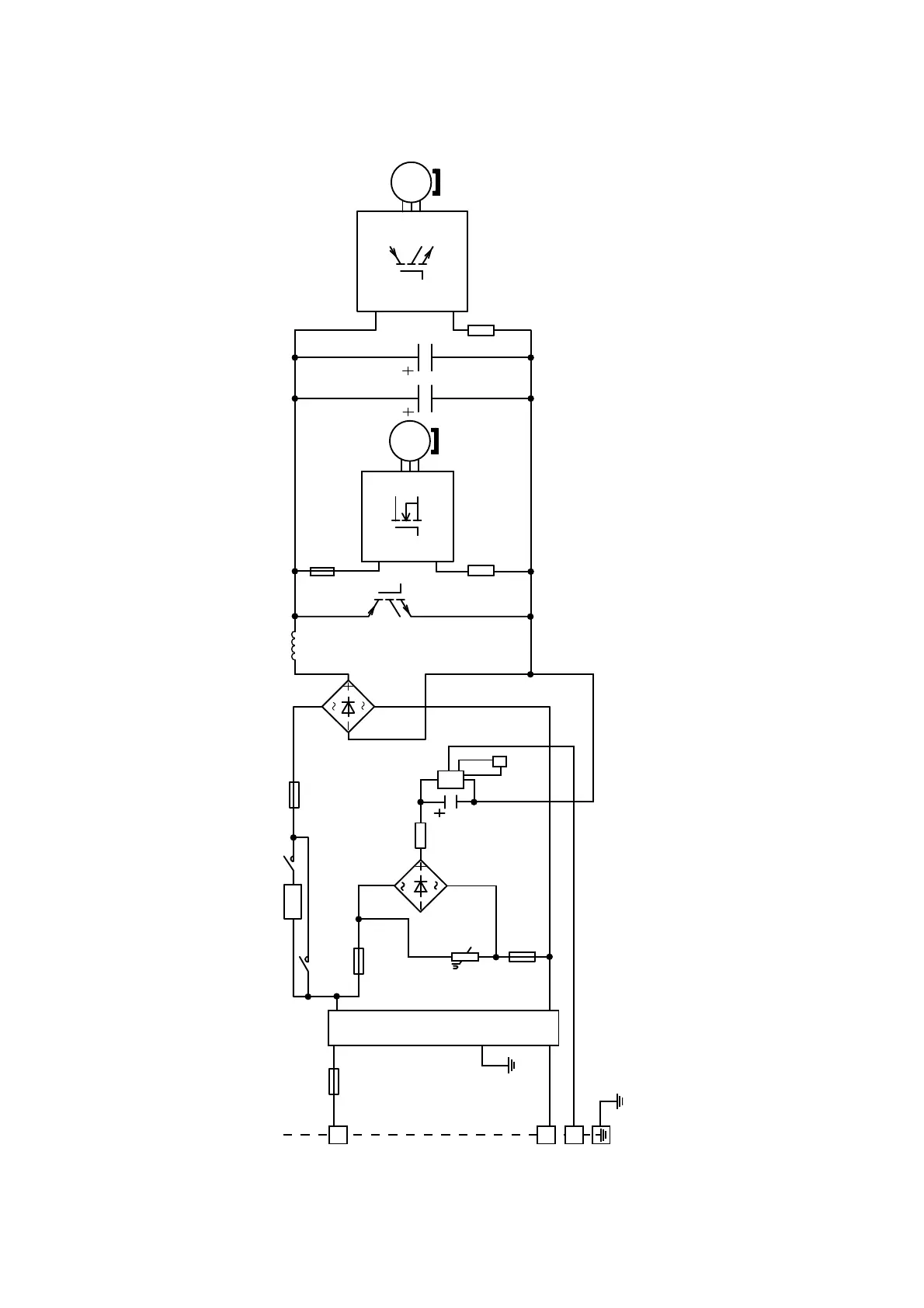
8.2 Outdoor Unit
8.2.1 CU-TZ20ZKE CU-TZ25ZKE CU-TZ35ZKE CU-TZ42ZKE CU-RZ25ZKE
CU-RZ35ZKE
RY-PWR
RY-AC
PT
C
PTC1
FUSE102
FUSE103
FUSE105
4-WAYS
VALVE
SC
NTC
TH1
NOISE FILTER
FUSE101
IC19
FUSE104
MS
3 ~
REACTOR
MS
3 ~
3
2
S1
(OUTDOOR UNIT)

Table of Contents

Other manuals for Panasonic CS-TZ71ZKEW

Related product manuals