EasyManua.ls Logo

Panasonic CS-UE9RKE

Panasonic CS-UE9RKE
125 pages
To Next Page IconTo Next Page
To Next Page IconTo Next Page
To Previous Page IconTo Previous Page
To Previous Page IconTo Previous Page
Loading...
20
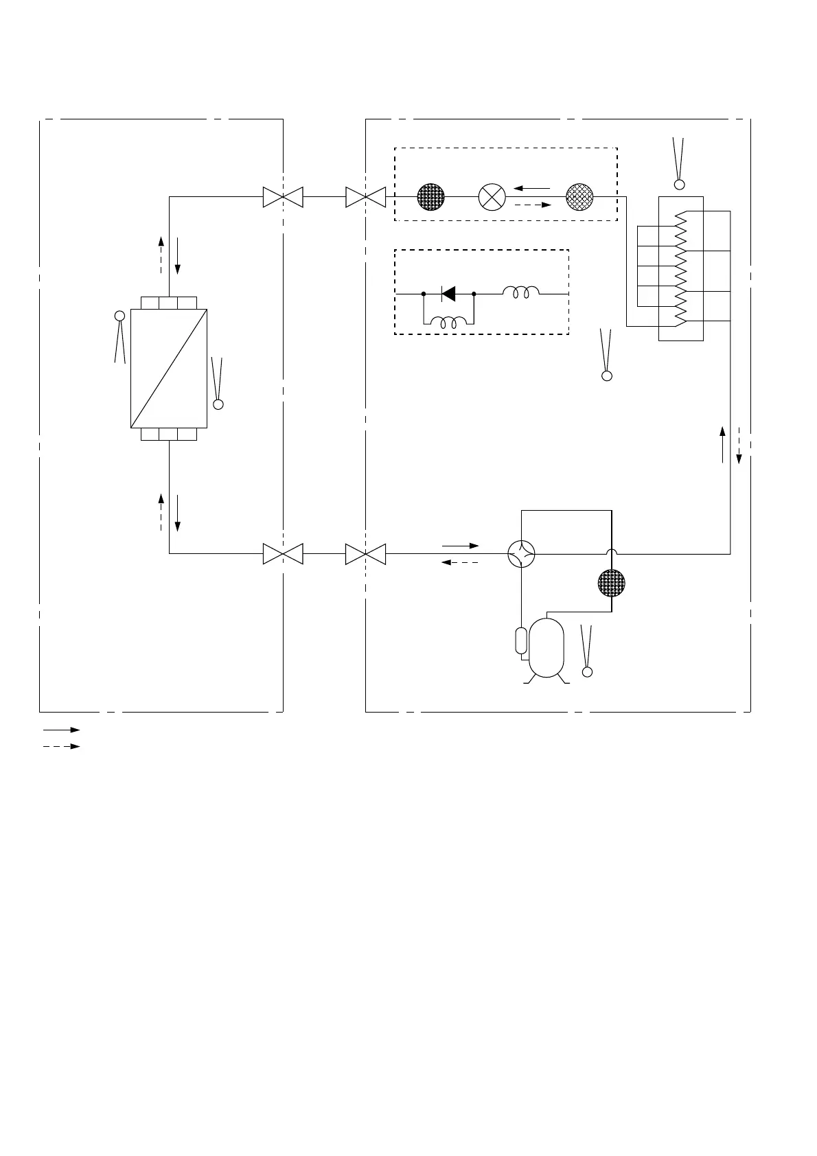
6. Refrigeration Cycle Diagram
INDOO
R
OUTDOOR
INTAKE
AIR
TEMP.
SENSOR
INTAKE
TEMP.
SENSOR
COMP.
TEMP.
SENSOR
PIPE
TEMP.
SENSOR
PIPE
TEMP.
SENSOR
LIQUID
SIDE
UE18RK
UE/PE9/12RK
2-WAY
VALVE
3-WAY
VALVE
GAS
SIDE
COOLING
HEAT EXCHANGER
(EVAPORATOR)
HEATING
COMPRESSOR
4-WAYS VALVE
HEAT EXCHANGER
(CONDENSER)
*MUFFLER
MUFFLER
*STRAINER
EXPANSION
VALVE
* Not a standard replacement part.
CHECK
VALVE
CAPILLARY
TUBE

Table of Contents

Other manuals for Panasonic CS-UE9RKE

Related product manuals