EasyManua.ls Logo

Panasonic CS-UE9RKE

Panasonic CS-UE9RKE
125 pages
To Next Page IconTo Next Page
To Next Page IconTo Next Page
To Previous Page IconTo Previous Page
To Previous Page IconTo Previous Page
Loading...
25
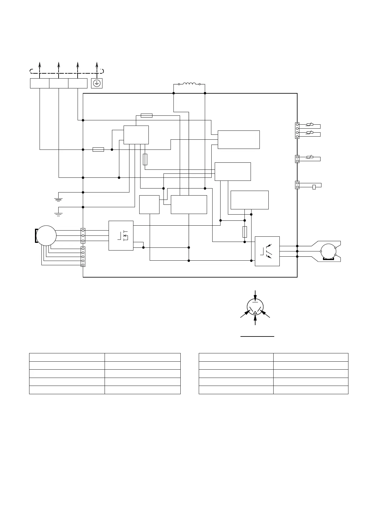
8.2 Outdoor Unit
8.2.1 CU-PE9RKE CU-PE12RKE CU-UE9RKE CU-UE12RKE
TERMINAL
BOARD
TO INDOOR UNIT
COMPRESSOR
OUTDOOR AIR TEMP.
SENSOR
(THERMISTOR)
PIPING TEMP. SENSOR
(THERMISTOR)
1
4
t
0
t
0
AC-WHT
(WHT)
CN-MTR1
(WHT)
CN-MTR2
(WHT)
IC19
Q1
FG1
(GRN)
FG2
(GRN)
GRN
BLK
WHT
GRN
AC-BLK
(BLK)
DATA
(RED)
RED
GRY
RAT2
(GRY)
GRY
YLW
YLW
RAT1
(GRY)
REACTOR
RED
BLU
YLW
U (RED)
FUSE103
T3.15A L250V
V (BLU)
W (YLW)
U
V
W
3
5
5
1
10
14
16
1
COMP. TEMPERATURE
SENSOR (THERMISTOR)
1
3
CN-TANK
(WHT)
t
0
ELECTRO-MAGNETIC
COIL (4-WAYS VALVE)
1
3
CN-HOT
(WHT)
CN-TH
(WHT)
P
N
SWITCHING
POWER
SUPPLY CIRCUIT
FUSE102
T3.15A L250V
FUSE101
(20A 250V)
321
COMMUNICATION
CIRCUIT
PFC
CIRCUIT
W
U
V
FAN MOTOR
ELECTRONIC CONTROLLER
MS
3 ~
FUSE104
(15A 250V)
NOISE
FILTER
CIRCUIT
RECTIFICATION
CIRCUIT
RECTIFICATION
CIRCUIT
RED (RED)
TRADE MARK
BLUE (BLU)
YELLOW (YLW)
COMP. TERMINAL
REMARKS
BLACK: (BLK) RED: (RED)
WHITE: (WHT) BROWN: (BRW)
YELLOW: (YLW) GREEN: (GRN)
ORANGE: (ORG) GRAY: (GRY)
BLUE: (BLU) YELLOW/GREEN: (YLW/GRN)
MS
3 ~
Resistance of Compressor Windings Resistance of Compressor Windings
MODEL CU-PE9RKE/UE9RKE MODEL CU-PE12RKE/UE12RKE
CONNECTION 5RS092XCD21 CONNECTION 5RS102XBC21
U-V 1.152 Ω U-V 0.858 Ω
U-W 1.152 Ω U-W 0.858 Ω
V-W 1.152 Ω V-W 0.858 Ω
Note: Resistance at 20°C of ambient temperature. Note: Resistance at 20°C of ambient temperature.

Table of Contents

Other manuals for Panasonic CS-UE9RKE

Related product manuals