EasyManua.ls Logo

Panasonic CS-UE9RKE

Panasonic CS-UE9RKE
125 pages
To Next Page IconTo Next Page
To Next Page IconTo Next Page
To Previous Page IconTo Previous Page
To Previous Page IconTo Previous Page
Loading...
28
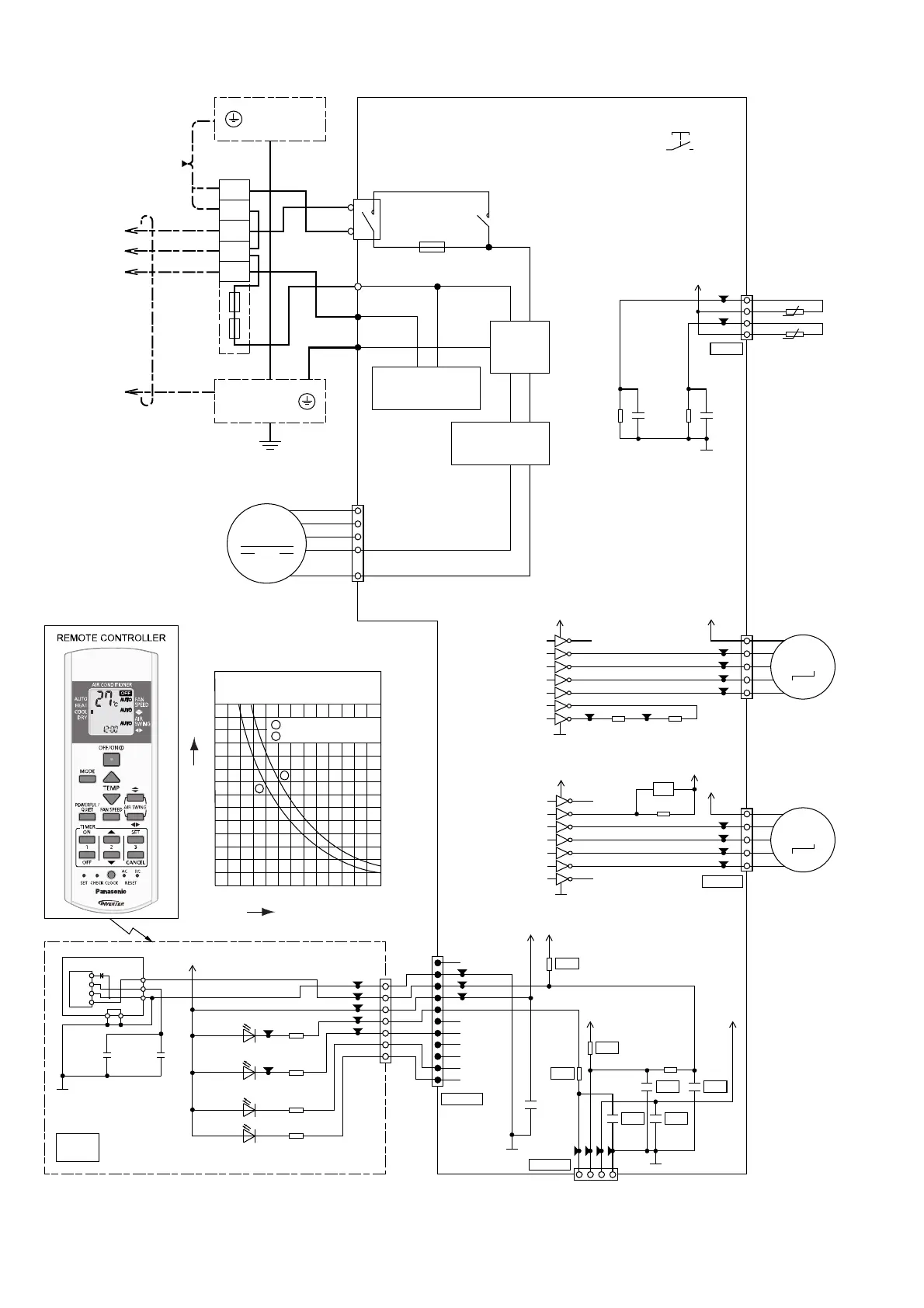
9.1.2 CS-UE18RKE
ELECTRONIC
CONTROLLER
(DISPLAY & RECEIVER)
POWER
(green)
TIMER
(orange)
LED201
LED202
GND-A
5V_
1
2
3
Vout
Vcc
GND
GND
+
GND
54
IC1
C201
47µ
6.3V
C202
0.01µ
16V
70
60
50
Resistance (k)
Tempe rature (ºC)
Sensor (Thermistor)
Characteristics
40
30
20
10
-10 0 10 20 30 40 50
0
Pipe Temp. Sensor
Intake Air Temp. Sensor
1
1
2
2
5V
4321
210
209
208
207
*C49*C45
*R37
*R54
5V
*C48*C47
5V
R85
5.1k
*CN-DISP
YELLOW
7
2
3
4
5
6
CN-DISP
WHITE
5
4
7
6
3
2
1
P. C . B
PCB201
16
17
R201 470
1/10W 5%
R202 2k
1/10W 5%
157
159
155
11
10
9
8
7
*R89
*CN-RMT
9
8
11
10
1
5V
C3
0.1µ
16V
ELECTRONIC CONTROLLER
(MAIN)
SW01
4
1
FAN MOTOR
CN-FM (WHT)
Y
7
4
1
B
W
BL
R
M
FUSE301
T3.15A L250V
RY-PWR
RY-PWR2
Y/G
Y/G
TEMP.
FUSE
102°C (3A)
TEMP.
FUSE
102°C (3A)
EVAPORATOR
1
2
3
AC303
(WHT)
AC304
(RED)
G301
(GRN)
GROUNDING
TERMINAL
L
R
W
G
P
BL
BR
TERMINAL
BOARD
GROUNDING
TERMINAL
L
N
SINGLE PHASE
POWER SUPPLY
1ø 230V 50Hz
COMMUNICATION
CIRCUIT
TO
OUTDOOR
UNIT
NOISE
FILTER
CIRCUIT
RECTIFICATION
CIRCUIT
POWERFUL
(orange)
QUIET
(orange)
UP DOWN
LOUVER MOTO
R
CN-STM1
WHITE
1
5
4
3
2
12V
74
144
70
64
61
M
12V
1
2
3
4
5
6
7
16
9
8
15
14
13
12
11
10
IC03
R47 1/2W
68 5%
143
R46 1/2W
68 5%
GND
VCC
*CN-STM2
LEFT RIGHT
LOUVER MOTOR
1
5
4
3
2
12V
398
397
396
395
M
GND
VCC
5V
R30
1k
BZ
BZ01
12V
1
2
3
4
5
6
7
16
9
8
15
14
13
12
11
10
IC05
C25
16V
R62
15.0k
C27
16V
R61
20.0k
SUCTION
TEMP. SENSOR
(THERMISTOR)
(15k, 3950)
PIPING
TEMP. SENSOR
(THERMISTOR)
(20k, 3950)
4
3
2
1
t
0
169
170
5V
*CN-TH
RED
t
0

Table of Contents

Other manuals for Panasonic CS-UE9RKE

Related product manuals