EasyManua.ls Logo

Panasonic CS-UE9RKE

Panasonic CS-UE9RKE
125 pages
To Next Page IconTo Next Page
To Next Page IconTo Next Page
To Previous Page IconTo Previous Page
To Previous Page IconTo Previous Page
Loading...
30
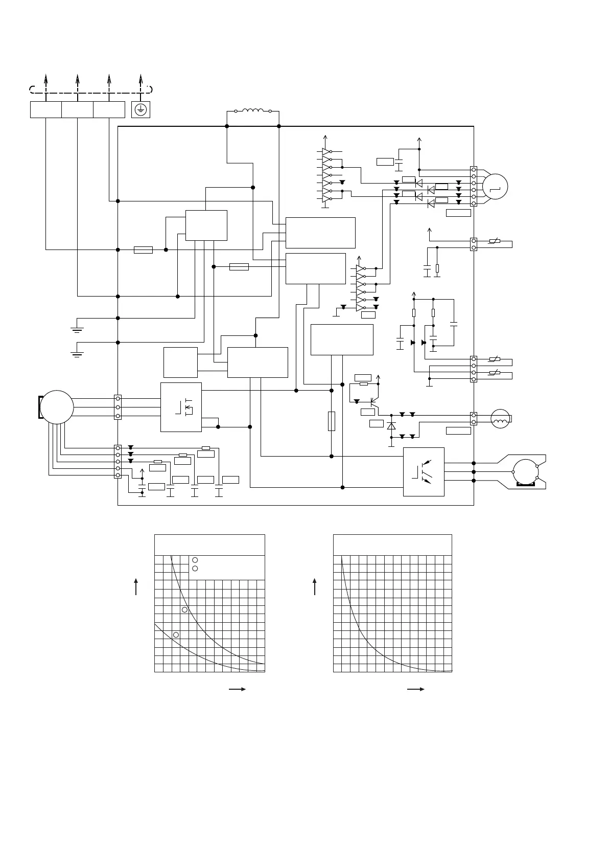
9.2.2 CU-UE18RKE
Sensor (Thermistor)
Characteristics
70
60
50
40
30
20
10
0
-10 0 10
Temperature (
o
C)
Resistance (kΩ)
20 30 40 50
1
2
1
2
Outdoor Air Sensor
Outdoor Heat Exchanger
Sensor
Compressor Temp. Sensor
(Thermistor) Characteristics
70
60
50
40
30
20
10
0
20 40 60
Temperature (
o
C)
Resistance (kΩ)
80 100 120 140
TERMINAL
BOARD
TO INDOOR UNIT
COMPRESSOR
AC-WHT
(WHT)
CN-MTR1
(WHT)
CN-MTR2
(WHT)
IC19
Q1
FG1
(GRN)
FG2
(GRN)
GRN
BLK
WHT
GRN
AC-BLK
(BLK)
DATA
(RED)
RED
GRY
RAT2
(GRY)
GRY
RAT1
(GRY)
REACTOR
RED
BLU
YLW
U (RED)
FUSE101
T3.15A L250V
V (BLU)
W (YLW)
U
V
W
3
5
5
1
10
14
16
1
CN-TANK
5V
G2
R1
4.99k
1%
C5
10V
G2
COMP. TEMP.
SENSOR (50kΩ 3950)
1
3
t
0
P
N
FUSE103
(20A 250V)
321
PFC
CIRCUIT
W
U
V
FAN MOTOR
ELECTRONIC
CONTROLLER
MS
3 ~
NOISE
FILTER
CIRCUIT
RECTIFICATION
CIRCUIT
EXPANSION
VALVE
1
2
3
4
5
6
M
MS
3 ~
FUSE104
T3.15A L250V
402
403
404
5
4
3
2
1
*C178
*C186
0.01µ
50V
*C188
0.01µ
50V
*C187
0.01µ
50V
*CN-HOT
*CN-STM
*R313
1k
*R312
1k
*R311
1k
5V
G2G2G2G2
+
SWITCHING
POWER
SUPPLY CIRCUIT
COMMUNICATION
CIRCUIT
RECTIFICATION
CIRCUIT
CN-TH1
(WHT)
OUTDOOR AIR TEMP.
SENSOR (15kΩ 3950)
1
4
3
2
t
0
t
0
5V
G2
R12
15.0k
1%
R11
15.8k
1%
420
419
C10
10V
C88
220µ
10V
G2
C9
10V
G2
+
4-WAYS VALVE
1
3
828
829
*D20
*Q23
*R260
e
b
15V
G2
179
180
c
236
*C174
63
64
30
31
835
836
837
838
20
52
29
G2
13V
13V
1
2
3
4
5
6
7
16
9
8
15
14
13
12
11
10
IC4
GND
VCC
G2
13V
1
2
3
4
5
6
16
9
15
14
13
12
11
VCC
G2
*D76
*D74
*D75
*D73
891
*IC5
PIPING TEMP.
SENSOR1 (4.96kΩ 3800)

Table of Contents

Other manuals for Panasonic CS-UE9RKE

Related product manuals