EasyManua.ls Logo

Panasonic CT-2017F - Page 26

Panasonic CT-2017F
36 pages
To Next Page IconTo Next Page
To Next Page IconTo Next Page
To Previous Page IconTo Previous Page
To Previous Page IconTo Previous Page
Loading...
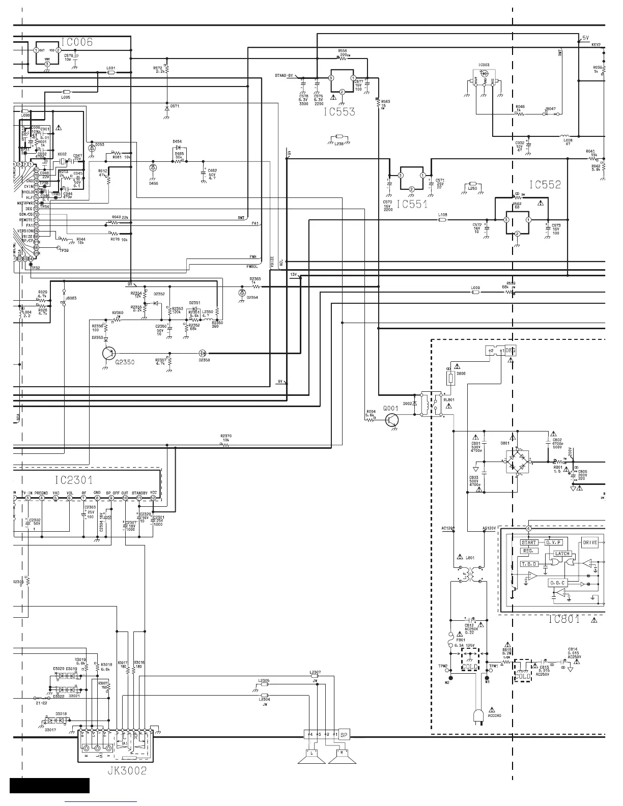
- 26 -ABoard

Related product manuals