EasyManua.ls Logo

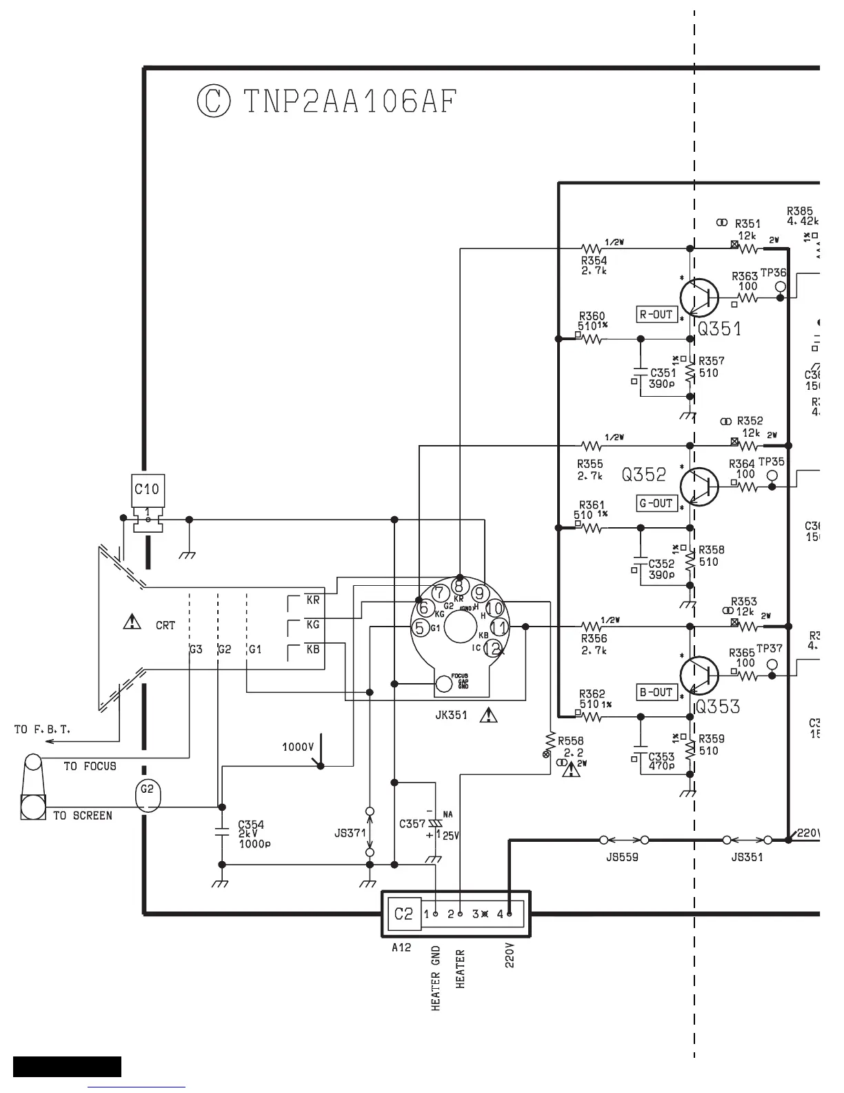
Panasonic CT-2017F - C-Board Schematic

Panasonic CT-2017F
36 pages
Print Icon
To Next Page IconTo Next Page
To Next Page IconTo Next Page
To Previous Page IconTo Previous Page
To Previous Page IconTo Previous Page
Loading...
- 32 -
CBoard

Related product manuals