EasyManua.ls Logo

Panasonic CT-3207DF - Page 41

Panasonic CT-3207DF
54 pages
Print Icon
To Next Page IconTo Next Page
To Next Page IconTo Next Page
To Previous Page IconTo Previous Page
To Previous Page IconTo Previous Page
Loading...
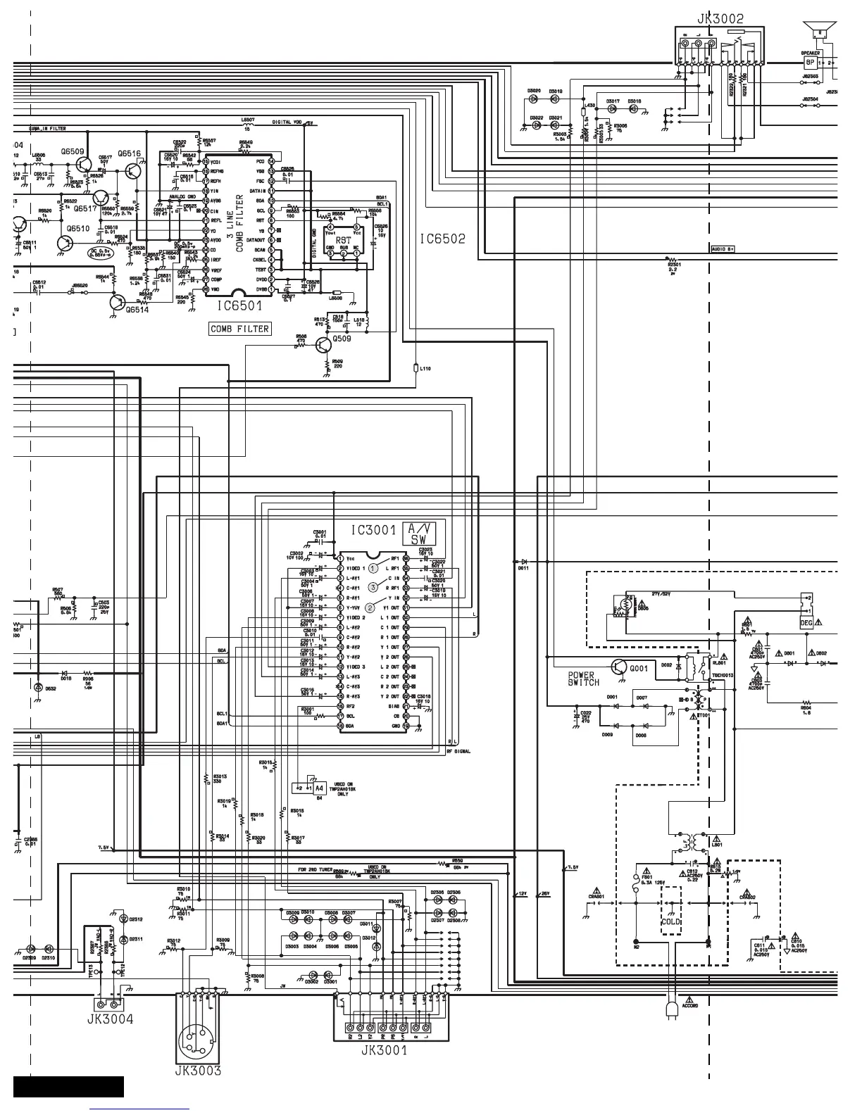
- 41 -ABoard

Related product manuals