EasyManua.ls Logo

Panasonic CT-3207DF - Page 42

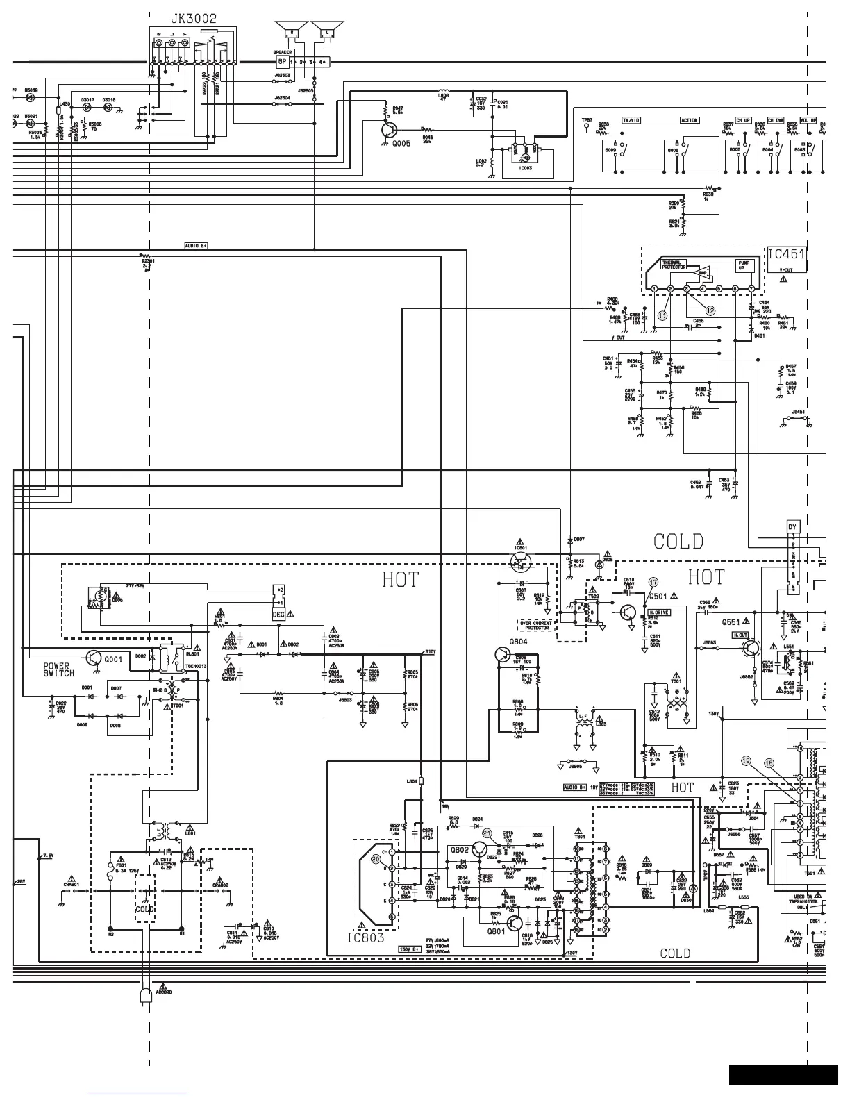
Panasonic CT-3207DF
54 pages
Print Icon
To Next Page IconTo Next Page
To Next Page IconTo Next Page
To Previous Page IconTo Previous Page
To Previous Page IconTo Previous Page
Loading...
- 42 -
ABoard

Related product manuals