EasyManua.ls Logo

Panasonic CU-3E18EBE - 6 Wiring Diagram; Wall Type

Panasonic CU-3E18EBE
136 pages
Print Icon
To Next Page IconTo Next Page
To Next Page IconTo Next Page
To Previous Page IconTo Previous Page
To Previous Page IconTo Previous Page
Loading...
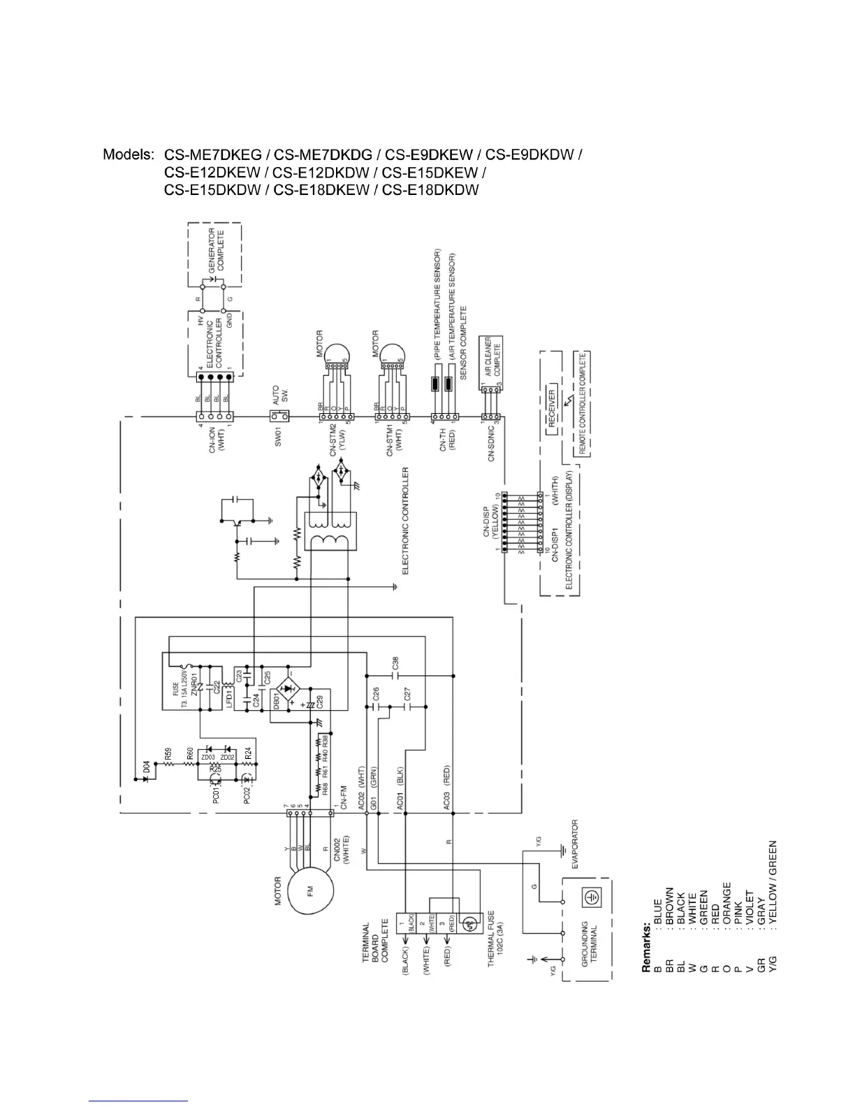
6 Wiring Diagram
6.1. Wall Type
29

Other manuals for Panasonic CU-3E18EBE

Related product manuals