EasyManua.ls Logo

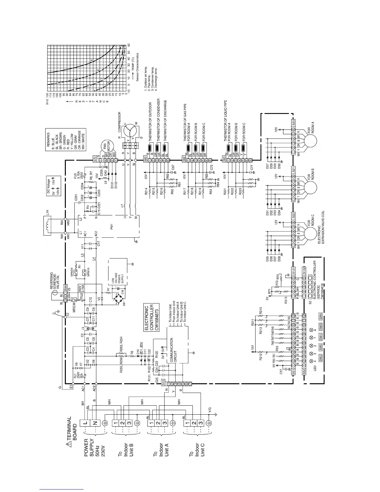
Panasonic CU-3E18EBE - 7 Electronic Circuit Diagram

Panasonic CU-3E18EBE
136 pages
Print Icon
To Next Page IconTo Next Page
To Next Page IconTo Next Page
To Previous Page IconTo Previous Page
To Previous Page IconTo Previous Page
Loading...
7 Electronic Circuit Diagram
34

Other manuals for Panasonic CU-3E18EBE

Related product manuals