EasyManua.ls Logo

Panasonic CU-3E18EBE - Duct Type

Panasonic CU-3E18EBE
136 pages
Print Icon
To Next Page IconTo Next Page
To Next Page IconTo Next Page
To Previous Page IconTo Previous Page
To Previous Page IconTo Previous Page
Loading...
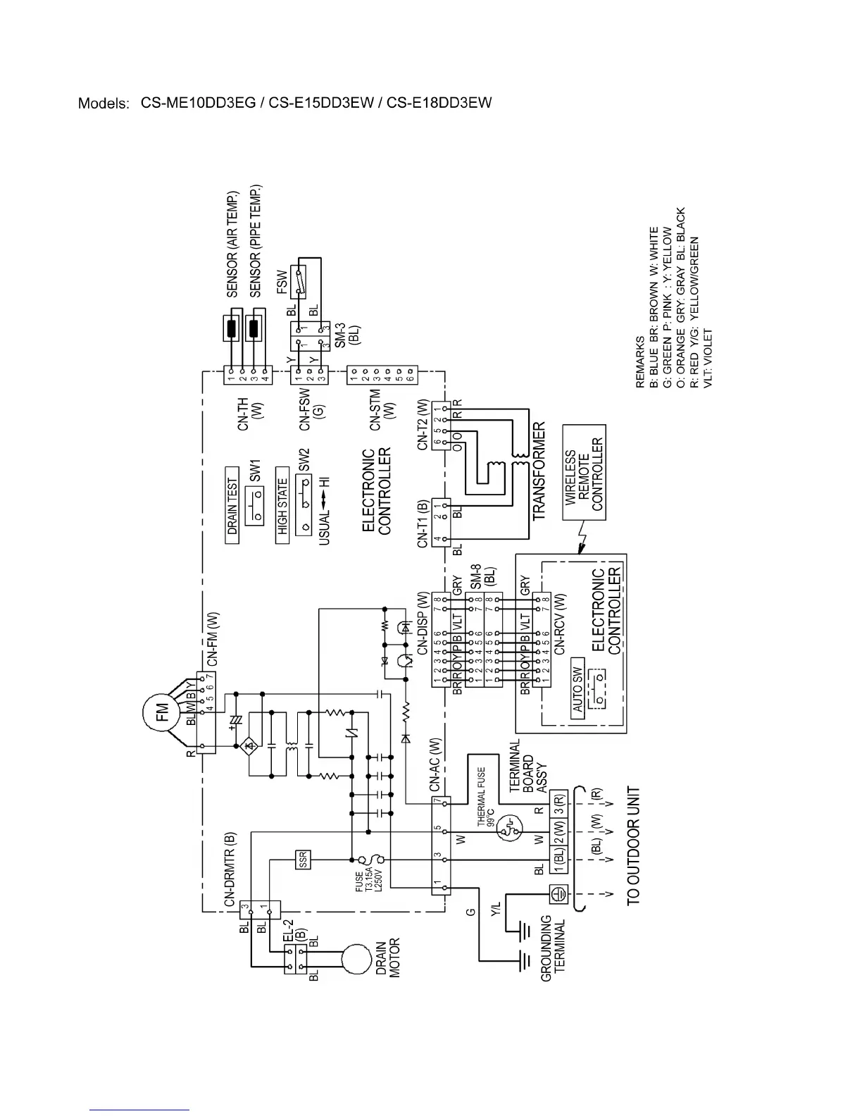
6.2. Duct Type
30

Other manuals for Panasonic CU-3E18EBE

Related product manuals