EasyManua.ls Logo

Panasonic CU-4E23QBR - Cu-5 E34 Qbr

Panasonic CU-4E23QBR
149 pages
Print Icon
To Next Page IconTo Next Page
To Next Page IconTo Next Page
To Previous Page IconTo Previous Page
To Previous Page IconTo Previous Page
Loading...
24
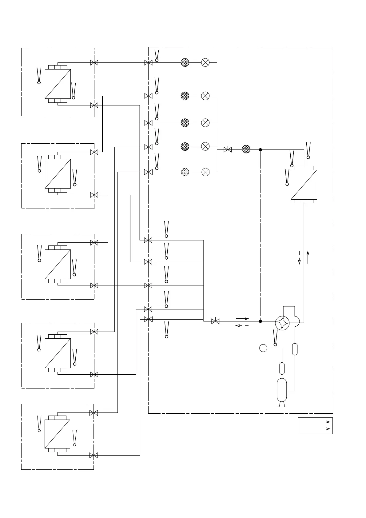
4.3 CU-5E34QBR
PIPE
TEMP.
SENSOR
PIPE
TEMP.
SENSOR
PIPE
TEMP.
SENSOR
STRAINER
EXPANSION
VALV E E
PIPE
TEMP.
SENSOR
PIPE
TEMP.
SENSOR
PIPE TEMP.
SENSOR (DEF)
COOLING
HEATING
3-WAY
VALVE
3-WAY
VALV E
3-WAY
VALV E
ACCUMULATOR
DISCHARGE
MUFFLER
COMPRESSOR
PRESSURE
SWITCH
INDOOR E
HEAT
EXCHANGER
(EVAPORATOR)
INTAKE
TEMP.
SENSOR
PIPE
TEMP.
SENSOR
GAS SIDE
3-WAY VALVE
LIQUID SIDE
3-WAY VALVE
PIPE
TEMP.
SENSOR
INDOOR
A
INTAKE
TEMP.
SENSOR
HEAT
EXCHANGER
(EVAPORATOR)
PIPE
TEMP.
SENSOR
INDOOR B
INTAKE
TEMP.
SENSOR
HEAT
EXCHANGER
(EVAPORATOR)
PIPE
TEMP.
SENSOR
INDOOR C
INTAKE
TEMP.
SENSOR
HEAT
EXCHANGER
(EVAPORATOR)
PIPE
TEMP.
SENSOR
INDOOR D
INTAKE
TEMP.
SENSOR
HEAT
EXCHANGER
(EVAPORATOR)
PIPE
TEMP.
SENSOR
OUTDOOR
3-WAY VALVE
STRAINER
STRAINER
STRAINER
STRAINER
STRAINER
EXPANSION
VALV E A
EXPANSION
VALVE B
EXPANSION
VALV E C
EXPANSION
VALV E D
3-WAY VALVE
LIQUID SIDE
3-WAY VALVE
LIQUID SIDE
LIQUID SIDE
LIQUID SIDE
3-WAY VALVE
3-WAY VALVE
3-WAY VALVE
3-WAY VALVE
GAS SIDE
GAS SIDE
GAS SIDE
GAS SIDE
INTAKE
TEMP.
SENSOR
HEAT
EXCHANGER
(CONDENSOR)
CONDENSOR
DISCH.
TEMP.
SENSOR
PIPE
TEMP.
SENSOR
PIPE
TEMP.
SENSOR
PIPE
TEMP.
SENSOR
PIPE
TEMP.
SENSOR
COMPRESSOR
TEMP.
SENSOR

Table of Contents

Other manuals for Panasonic CU-4E23QBR

Related product manuals